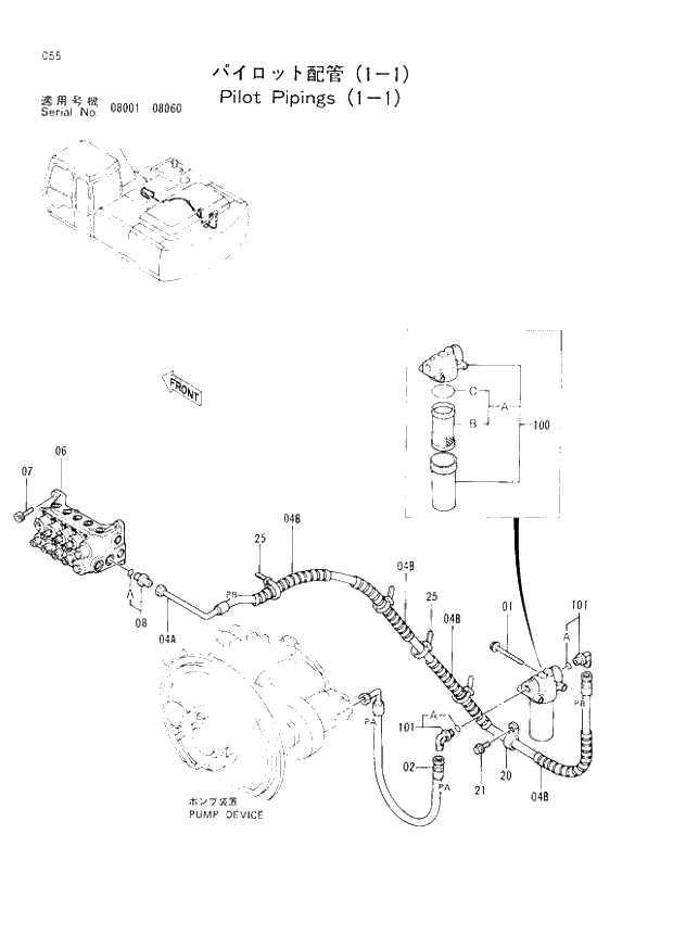
Запчасти Hitachi EX200LC-2 055 PILOT PIPINGS (1-1) (008001 - 008060). 01 UPPERSTRUCTURE

Схема запчастей Hitachi EX200LC-2 - 055 PILOT PIPINGS (1-1) (008001 - 008060). 01 UPPERSTRUCTURE
FIT
1:1
100%

Артикул

Название

Примечание

Количество

1

J011000

BOLT;SEMS

2шт.

2

4278411

HOSE (PA)

1шт.

04A

4287740

HOSE (PB)

1шт.

04B

4044420

PROTECTOR

4шт.

6

4254647

VALVE;SOLENOID

1шт.

7

M341025

BOLT;SOCKET

3шт.

8

4210361

ADAPTER;S

1шт.

08A

4506418

* O-RING

1шт.

20

4190274

CLIP

1шт.

21

J011020

BOLT;SEMS

1шт.

25

4055311

CLIP;BAND

4шт.

100

4191300

FILTER;OIL

1шт.

100A

4207841

* ELEMENT;OIL

1шт.

100B

4191301

** ELEMENT;FILTER

1шт.

100C

A811065

** O-RING

1шт.

101

4154672

ELBOW;S

2шт.

101A

4506418

* O-RING

1шт.

Выбрано товаров: 17