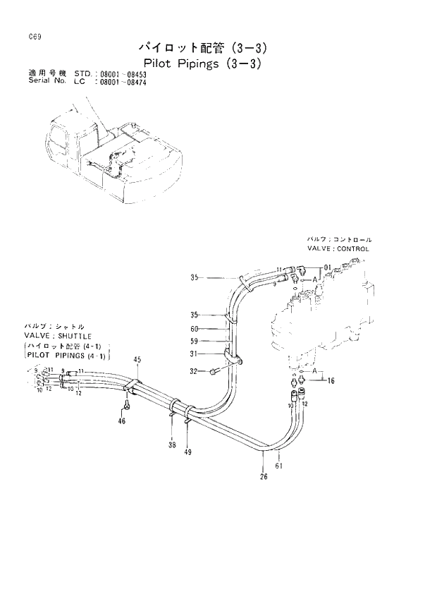
Запчасти Hitachi EX200LC-2 069 PILOT PIPINGS (3-3)(STD) (008001 - 008453). 01 UPPERSTRUCTURE

Схема запчастей Hitachi EX200LC-2 - 069 PILOT PIPINGS (3-3)(STD) (008001 - 008453). 01 UPPERSTRUCTURE
FIT
1:1
100%

Артикул

Название

Примечание

Количество

1

4154671

ELBOW;S

2шт.

01A

4509180

* O-RING

1шт.

16

4200466

ADAPTER;S

2шт.

16A

4509180

* O-RING

1шт.

26

4282619

HOSE;NYLON (10)

1шт.

31

4259817

CLIP

1шт.

32

J011020

BOLT;SEMS

Y -8241

1шт.

32

J011025

BOLT;SEMS

008242 -

1шт.

35

4203210

CLAMP

2шт.

38

4259220

CLIP

1шт.

45

4193848

CLIP

1шт.

46

J011025

BOLT;SEMS

1шт.

49

4055312

CLIP;BAND

1шт.

59

4287736

HOSE;NYLON (9)

1шт.

60

4287737

HOSE;NYLON (11)

1шт.

61

4282621

HOSE;NYLON (12)

1шт.

Выбрано товаров: 16