Запчасти Hitachi EX200LC-3 031 OIL COOLER PIPINGS (1). 01UPPERSTRUCTURE

Схема запчастей Hitachi EX200LC-3 - 031 OIL COOLER PIPINGS (1). 01UPPERSTRUCTURE
FIT
1:1
100%

Артикул

Название

Примечание

Количество

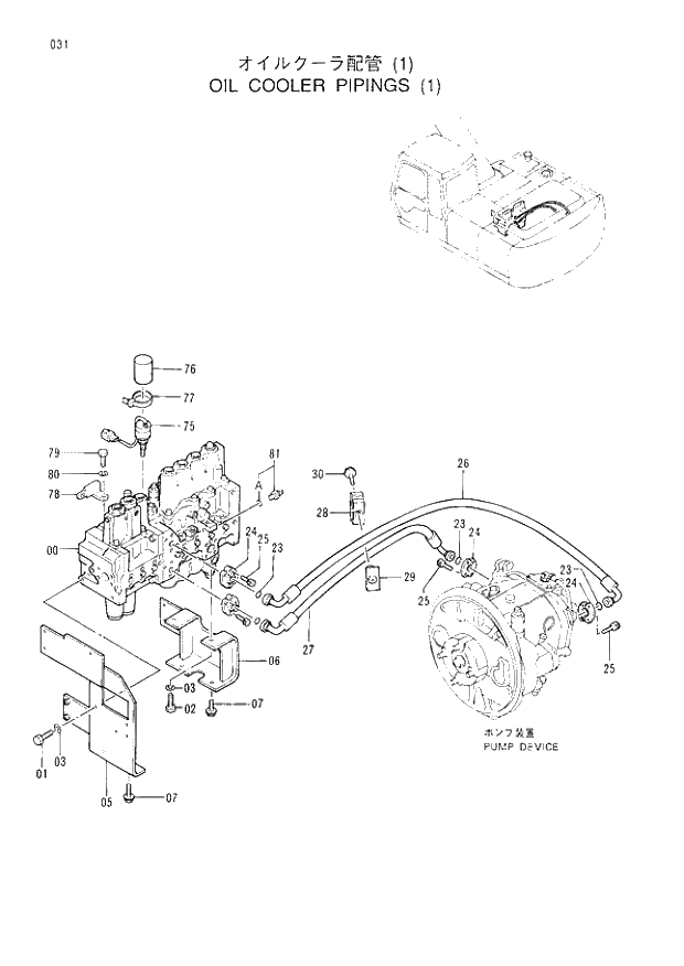
00

4296348

VALVE;CONTROL

1шт.

00

4296348

VALVE;CONTROL

078013 - 078418

1шт.

00

4296348

VALVE;CONTROL

I 078013 - 078530

1шт.

00

4296348

VALVE;CONTROL

078537 - 078570

1шт.

00

4327129

VALVE;CONTROL

I 078001 - 078012

1шт.

00

4330205

VALVE;CONTROL

078419 -

1шт.

00

4330205

VALVE;CONTROL

078531 - 078533

1шт.

00

4330205

VALVE;CONTROL

078535 - 078536

1шт.

00

4330205

VALVE;CONTROL

078571 -

1шт.

01

J901435

BOLT

2шт.

02

J901430

BOLT

2шт.

03

A590914

WASHER;SPRING

4шт.

05

8048594

BRACKET

1шт.

06

7024371

BRACKET

1шт.

07

J011240

BOLT;SEMS

4шт.

23

966993

O-RING

4шт.

24

4085560

FLANGE;SPLIT

8шт.

25

M341240

BOLT;SOCKET

16шт.

26

4318033

HOSE

1шт.

27

4318032

HOSE

1шт.

28

8053449

CLAMP;HOSE

1шт.

29

9738975

CLAMP

1шт.

30

J011275

BOLT;SEMS

1шт.

75

9101532

SENSOR;DP

1шт.

76

4277223

CAP

1шт.

77

4055312

CLIP;BAND

1шт.

78

4252767

BRACKET

1шт.

79

J900610

BOLT

1шт.

80

A590906

WASHER;SPRING

1шт.

81

4339754

SENSOR;PRES.

1шт.

81A

4150302

* O-RING

1шт.

Выбрано товаров: 31