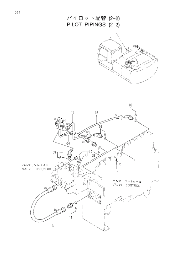
Запчасти Hitachi EX200LCH-3 075 PILOT PIPINGS (2-2). 01UPPERSTRUCTURE

Схема запчастей Hitachi EX200LCH-3 - 075 PILOT PIPINGS (2-2). 01UPPERSTRUCTURE
FIT
1:1
100%

Артикул

Название

Примечание

Количество

03

3067639

PIPE (SD)

1шт.

04

3067640

PIPE (SE)

1шт.

05

3067699

PIPE (SF)

1шт.

08

4255304

FITTING;PIPE

1шт.

08A

957366

* O-RING

1шт.

09

4293950

ELBOW;S

5шт.

09A

957366

* O-RING

1шт.

11

4200467

ADAPTER;S

1шт.

11A

957366

* O-RING

1шт.

12

4156434

ELBOW;S

1шт.

12A

957366

* O-RING

1шт.

13

4282456

HOSE;NYLON (SG)

1шт.

Выбрано товаров: 12