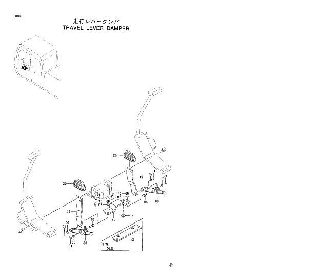
Запчасти Hitachi EX210H-5 089 TRAVEL LEVER DAMPER 01 UPPERSTRUCTURE

Схема запчастей Hitachi EX210H-5 - 089 TRAVEL LEVER DAMPER 01 UPPERSTRUCTURE
FIT
1:1
100%

Артикул

Название

Примечание

Количество

00

4204959

DAMPER

2шт.

02

A590108

WASHER;PLANE

4шт.

04

4022697

PIN;LOCK

4шт.

06

4044928

PIN

2шт.

08

A590908

WASHER;SPRING

2шт.

10

M500807

NUT

2шт.

12

4335927

PLATE

I -83344

1шт.

12

4335927

PLATE

I -83346

1шт.

12

4359716

BRACKET

083345 -

1шт.

12

4359716

BRACKET

083347 -

1шт.

14

J011020

BOLT;SEMS

2шт.

17

9741921

BRACKET;(L)

-83344

1шт.

17

9741921

BRACKET;(L)

-83346

1шт.

17

9742277

BRACKET;(L)

083345 -

1шт.

17

9742277

BRACKET;(L)

083347 -

1шт.

19

9741920

BRACKET;(R)

-83344

1шт.

19

9741920

BRACKET;(R)

-83346

1шт.

19

9742276

BRACKET;(R)

083345 -

1шт.

19

9742276

BRACKET;(R)

083347 -

1шт.

20

3076503

BOOT

083345 -

2шт.

20

3076503

BOOT

083347 -

2шт.

20

4334712

BOOT

I -83344

2шт.

20

4334712

BOOT

I -83346

2шт.

Выбрано товаров: 23