Запчасти Hitachi EX220-2 039 CONTROL VALVE (2-6) (008001 -). 03 VALVE

Схема запчастей Hitachi EX220-2 - 039 CONTROL VALVE (2-6) (008001 -). 03 VALVE
FIT
1:1
100%

Артикул

Название

Примечание

Количество

4256230

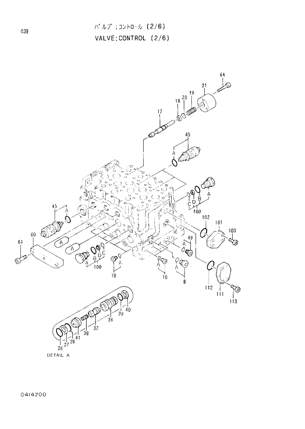
VALVE;CONTROL (2/6)

1шт.

8

413601

* PLUG ASS'Y

1шт.

8A

4506418

** O-RING

1шт.

10

413504

* PLUG ASS'Y

7шт.

10A

4506408

* O-RING

1шт.

17

+++++++

* SPOOL

1шт.

18

413602

* SEAT;SPRING

1шт.

19

414201

* SPRING

1шт.

20

4509181

* O-RING

1шт.

21

413604

* CAP

1шт.

26

970486

* O-RING

4шт.

27

413605

* RING;BACK-UP

2шт.

36

413606

* SLEEVE

2шт.

37

413607

* POPPET

2шт.

38

413608

* SPRING

2шт.

39

955656

* O-RING

2шт.

40

413609

* RING;BACK-UP

2шт.

41

413610

* PLUG

2шт.

45

4289603

* VALVE;RELIEF ASS'Y

6шт.

45A

111809

** O-RING

1шт.

49

413518

* PLUG ASS'Y

2шт.

49A

4509180

** O-RING

1шт.

60

413611

* PLATE

1шт.

61

413612

* BOLT;SOCKET

3шт.

64

413613

* BOLT;SOCKET

3шт.

100

413614

* PLUG ASS'Y

2шт.

100A

413615

** PLUG

1шт.

100B

111809

** O-RING

1шт.

100C

413616

** O-RING

1шт.

100D

413617

** RING;BACK-UP

1шт.

101

413618

* CAP

1шт.

102

224422

* O-RING

1шт.

103

413619

* BOLT;SOCKET

4шт.

111

413620

* CAP

1шт.

112

966993

* O-RING

1шт.

113

413511

* BOLT;SOCKET

4шт.

Выбрано товаров: 36