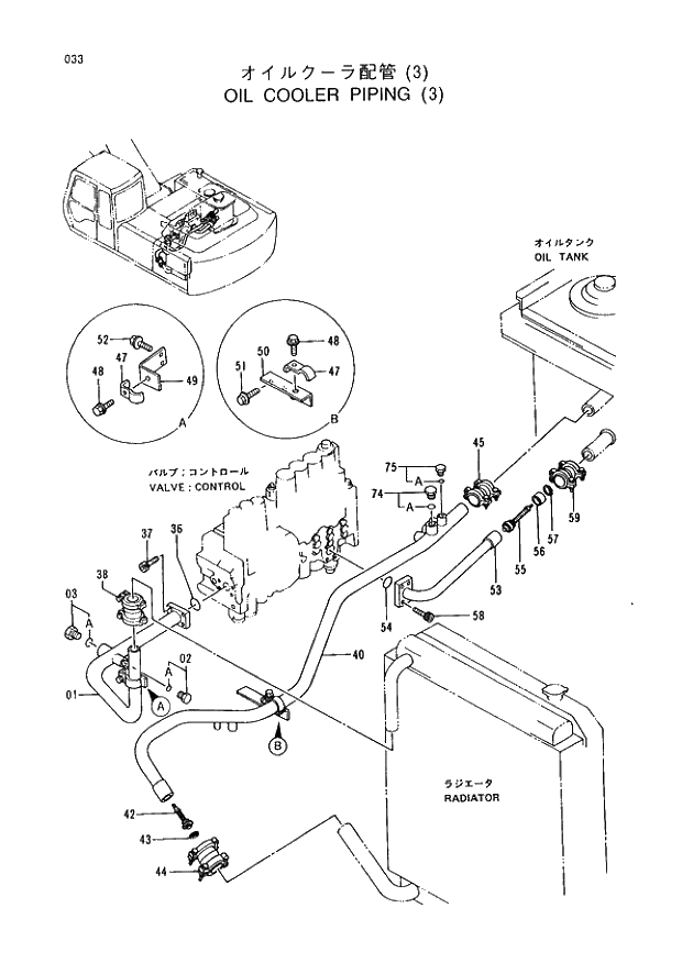
Запчасти Hitachi EX220-3 033 OIL COOLER PIPINGS (3). 01UPPERSTRUCTURE

Схема запчастей Hitachi EX220-3 - 033 OIL COOLER PIPINGS (3). 01UPPERSTRUCTURE
FIT
1:1
100%

Артикул

Название

Примечание

Количество

01

8056825

PIPE;RETURN

1шт.

02

4174541

PLUG

1шт.

02A

4506418

* O-RING

1шт.

03

4174542

PLUG

1шт.

03A

4506424

* O-RING

1шт.

36

A811040

O-RING

1шт.

37

M341036

BOLT;SOCKET

4шт.

38

4069801

COUPLING

1шт.

40

7026935

PIPE;RETURN

1шт.

42

4255211

VALVE

1шт.

43

991718

RING;RETAINING

1шт.

44

4067834

COUPLING

1шт.

45

4069801

COUPLING

1шт.

47

4053698

CLAMP;PIPE

2шт.

48

J011270

BOLT;SEMS

2шт.

49

9735346

BRACKET

1шт.

50

9735345

BRACKET

1шт.

51

J011030

BOLT;SEMS

2шт.

52

J021025

BOLT;SEMS

2шт.

53

8048265

PIPE;RETURN

1шт.

54

A811040

O-RING

1шт.

55

4272164

VALVE

1шт.

56

4256203

RING

1шт.

57

446751

RING;RETAINING

1шт.

58

M341036

BOLT;SOCKET

4шт.

59

4069801

COUPLING

1шт.

74

4174542

PLUG

1шт.

74A

4506424

* O-RING

1шт.

75

4092534

PLUG

1шт.

75A

4509180

* O-RING

1шт.

Выбрано товаров: 30