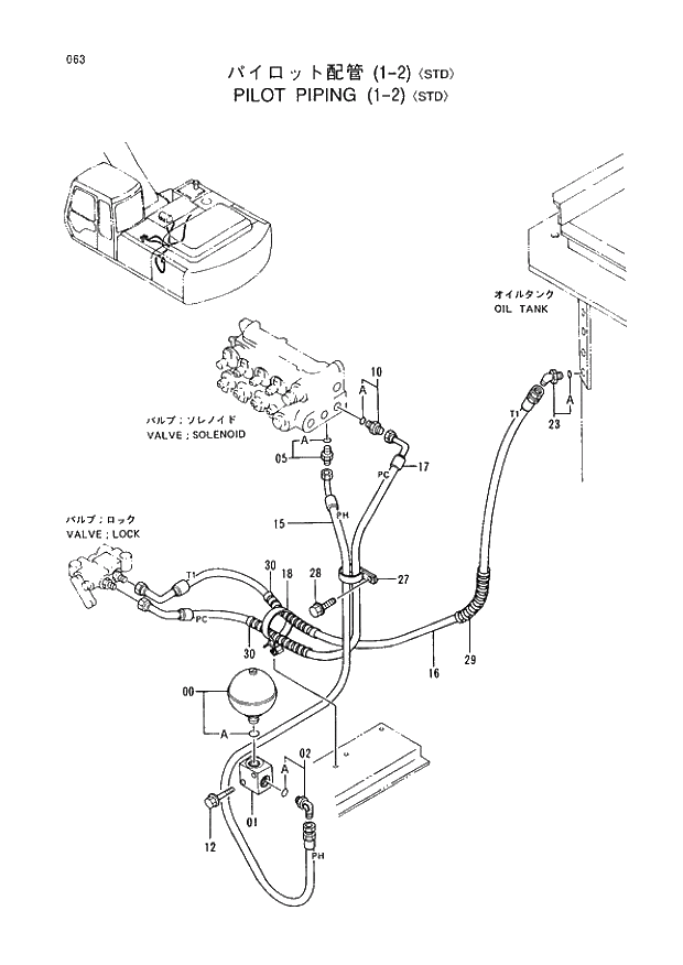
Запчасти Hitachi EX220-3 063 PILOT PIPINGS (1-2)(STD). 01UPPERSTRUCTURE

Схема запчастей Hitachi EX220-3 - 063 PILOT PIPINGS (1-2)(STD). 01UPPERSTRUCTURE
FIT
1:1
100%

Артикул

Название

Примечание

Количество

00

4195978

ACCUMULATOR

1шт.

00A

954493

* O-RING

1шт.

01

3036998

BLOCK

1шт.

02

4154670

ELBOW;S

1шт.

02A

957366

* O-RING

1шт.

05

4200465

ADAPTER;S

1шт.

05A

957366

* O-RING

1шт.

10

4200466

ADAPTER;S

1шт.

10A

4509180

* O-RING

1шт.

12

J011060

BOLT;SEMS

2шт.

15

4263617

HOSE (PH)

1шт.

16

4306885

HOSE;NYLON (T1)

1шт.

17

4306886

HOSE (PC)

1шт.

18

4259220

CLIP

1шт.

23

4154671

ELBOW;S

1шт.

23A

4509180

* O-RING

1шт.

27

4190264

CLIP

1шт.

28

J011020

BOLT;SEMS

1шт.

29

4133527

PROTECTOR

1шт.

30

4133527

PROTECTOR

2шт.

Выбрано товаров: 20