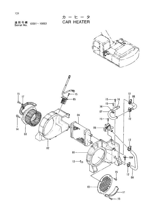
Запчасти Hitachi EX220-3 131 CAR HEATER. 01UPPERSTRUCTURE

Схема запчастей Hitachi EX220-3 - 131 CAR HEATER. 01UPPERSTRUCTURE
FIT
1:1
100%

Артикул

Название

Примечание

Количество

01-17

4251649

HEATER ASS'Y

T

1шт.

01-17

4251649

HEATER ASS'Y

T

1шт.

01

4295532

* CASE (L)

Y

1шт.

02

4295533

* CASE (R)

Y

1шт.

03

4295534

* MOTOR

I

1шт.

04

4295535

* CORE;HEATER

Y

1шт.

05

4295536

* RESISTOR

1шт.

06

4295537

* VALVE

Y

1шт.

07

4295538

* PIPE

Y

1шт.

08

4295539

* HOSE

Y

1шт.

09

4295540

* HOSE

Y

1шт.

10

4295541

* COVER

Y

1шт.

11

4295542

* COVER

Y

1шт.

12

4295543

* CLAMP

I

4шт.

13

4295544

* CLAMP

Y

9шт.

14

4296797

* SCREW;SEMS

Y

3шт.

15

4296798

* SCREW

Y

11шт.

16

4296799

* CLAMP

Y

2шт.

17

4296800

* CLIP

Y

1шт.

104

J021030

BOLT;SEMS

4шт.

Выбрано товаров: 20