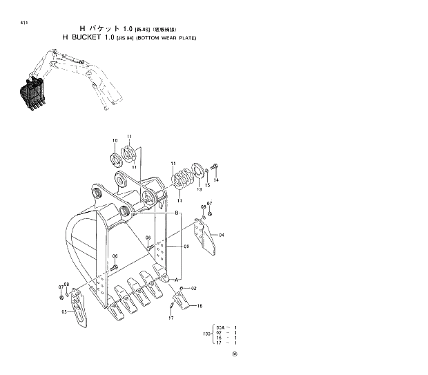
Запчасти Hitachi EX220-5 411 H BUCKET (1.0) JIS94 (BOTTOM WEAR PLATE) 03 FRONT

Схема запчастей Hitachi EX220-5 - 411 H BUCKET (1.0) JIS94 (BOTTOM WEAR PLATE) 03 FRONT
FIT
1:1
100%

Артикул

Название

Примечание

Количество

9177583

BUCKET ASS'Y

1шт.

00

8075075

* BUCKET

1шт.

00A

4187941

** ADAPTER;TOOTH

5шт.

00B

4067720

** STOPPER

2шт.

02

4319920

* RUBBER;LOCK

5шт.

02

4501625

* RUBBER;LOCK

Y

5шт.

04

2021232

* CUTTER;SIDE

1шт.

05

2021233

* CUTTER;SIDE

1шт.

06

J932280

* BOLT

12шт.

07

J951022

* NUT

12шт.

08

A590922

* WASHER;SPRING

12шт.

10

4273780

* BOSS

1шт.

11

4275784

* SHIM 1.0

14шт.

13

4275783

* PLATE

1шт.

14

J901485

* BOLT

3шт.

15

A590914

* WASHER;SPRING

3шт.

16

4326644

* POINT;TOOTH

5шт.

17

4326646

* PIN;LOCK

5шт.

100

9075611

KIT;POINT

5шт.

Выбрано товаров: 19