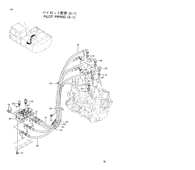
Запчасти Hitachi EX220-5 107 PILOT PIPINGS (5-1) 01 UPPERSTRUCTURE

Схема запчастей Hitachi EX220-5 - 107 PILOT PIPINGS (5-1) 01 UPPERSTRUCTURE
FIT
1:1
100%

Артикул

Название

Примечание

Количество

00

4367132

VALVE;FC.

1шт.

01

J021025

BOLT;SEMS

2шт.

05

4355414

HOSE;PLASTIC (2)

1шт.

09

8060455

PIPE

1шт.

12

4355417

HOSE;PLASTIC (7)

1шт.

15

4202422

ADAPTER;S

4шт.

15A

4509180

* O-RING

1шт.

16

4255791

ADAPTER;S

1шт.

16A

4509180

* O-RING

1шт.

17

4200468

ADAPTER;S

1шт.

17A

4509180

* O-RING

1шт.

19

4200466

ADAPTER;S

7шт.

19A

4509180

* O-RING

1шт.

22

4219918

BUSHING;RUBBER

1шт.

23

4055312

CLIP;BAND

4шт.

28

4333040

SWITCH

1шт.

28A

957366

* O-RING

1шт.

29

4332040

SENSOR;PRES.

1шт.

29A

957366

* O-RING

1шт.

32

4208913

ELBOW;S

2шт.

32A

4509180

* O-RING

1шт.

35

J011020

BOLT;SEMS

1шт.

36

4351165

HOSE;PLASTIC (4)

1шт.

43

4193848

CLIP

1шт.

46

4366653

HOSE;PLASTIC (6)

1шт.

Выбрано товаров: 25