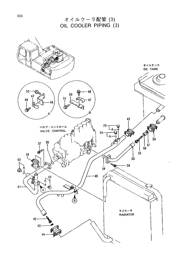
Запчасти Hitachi EX220LC-3 035 OIL COOLER PIPINGS (4). 01UPPERSTRUCTURE

Схема запчастей Hitachi EX220LC-3 - 035 OIL COOLER PIPINGS (4). 01UPPERSTRUCTURE
FIT
1:1
100%

Артикул

Название

Примечание

Количество

01

4280890

HOSE

1шт.

63

4187308

O-RING

2шт.

64

4189619

ADAPTER;S

2шт.

64A

4506424

* O-RING

1шт.

67

4200466

ADAPTER;S

2шт.

67A

4509180

* O-RING

1шт.

68A

4247344

HOSE;NYLON

1шт.

68B

4044420

PROTECTOR

3шт.

69

4221290

ADAPTER;S

2шт.

69A

4509180

* O-RING

1шт.

70A

4277867

HOSE;NYLON

1шт.

70B

4133527

PROTECTOR

1шт.

71

4055312

CLIP;BAND

3шт.

73

4121859

CLIP;BAND

1шт.

85

9739709

PIPE

1шт.

86

971489

O-RING

1шт.

87

4506459

FLANGE;SPLIT

2шт.

88

M341036

BOLT;SOCKET

4шт.

90

4093624

PLUG

1шт.

90A

957366

* O-RING

1шт.

Выбрано товаров: 20