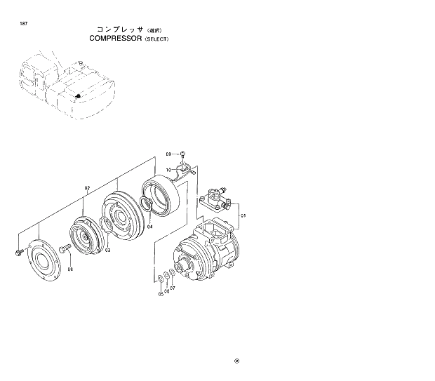
Запчасти Hitachi EX220LC-5 187 COMPRESSOR SELECT 01 UPPERSTRUCTURE

Схема запчастей Hitachi EX220LC-5 - 187 COMPRESSOR SELECT 01 UPPERSTRUCTURE
FIT
1:1
100%

Артикул

Название

Примечание

Количество

4333459

COMPRESSOR ASS'Y

1шт.

01

4350336

* COMPRESSOR

1шт.

02

4350337

* CLUTCH;MAGNETIC

1шт.

03

4350372

* RING;RETAINING

1шт.

04

4350373

* RING;RETAINING

1шт.

05

4350374

* WASHER

1шт.

06

4350375

* WASHER

1шт.

07

4350376

* WASHER

1шт.

08

4350377

* BOLT

1шт.

09

4350378

* SCREW

1шт.

10

4350379

* CLAMP

1шт.

Выбрано товаров: 11