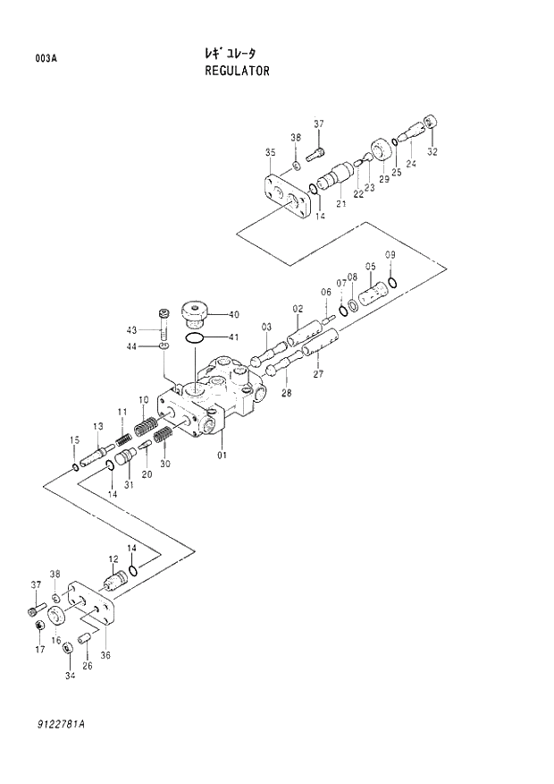
Запчасти Hitachi EX300-3C 003 REGULATOR. 01 PUMP

Схема запчастей Hitachi EX300-3C - 003 REGULATOR. 01 PUMP
FIT
1:1
100%

Артикул

Название

Примечание

Количество

(9136851)

REGULATOR

1шт.

9122781

REGULATOR

I

1шт.

01

1009978

* CASING

1шт.

02

4179155

* SLEEVE

1шт.

03

4179156

* SPOOL

1шт.

05

4194171

* CYL.

1шт.

06

4194172

* PISTON

1шт.

07

4150302

* O-RING

1шт.

08

4085607

* RING;BACK-UP

1шт.

09

4180349

* O-RING

1шт.

10

4194176

* SPRING;COMPRES.

1шт.

11

4194177

* SPRING;COMPRES.

1шт.

12

4179161

* STOPPER

1шт.

13

4179162

* STOPPER

1шт.

14

4506416

* O-RING

3шт.

15

939356

* O-RING

1шт.

16

4068898

* NUT

1шт.

17

M500807

* NUT

1шт.

20

4179171

* PISTON

1шт.

21

4185668

* CYL.

1шт.

22

4185669

* PISTON

1шт.

23

4179165

* PISTON

1шт.

24

4179166

* STOPPER

1шт.

25

4506408

* O-RING

1шт.

26

4265964

* SCREW;SET

1шт.

27

4185665

* SLEEVE

1шт.

28

4185666

* SPOOL

1шт.

29

4179167

* NUT

1шт.

30

4194179

* SPRING;COMPRES.

1шт.

31

4179170

* CYL.

1шт.

32

4179168

* NUT

1шт.

34

M581008

* NUT

1шт.

35

4194175

* COVER

1шт.

36

4179173

* COVER

1шт.

37

M340820

* BOLT;SOCKET

8шт.

38

4514388

* WASHER;SPRING

8шт.

40

4179174

* PLUG

1шт.

41

4506429

* O-RING

1шт.

43

M341056

* BOLT;SOCKET

4шт.

44

984054

* WASHER;SPRING

4шт.

Выбрано товаров: 40