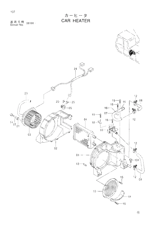
Запчасти Hitachi EX300H-3 137 CAR HEATER (007001 -). 01 UPPERSTRUCTURE

Схема запчастей Hitachi EX300H-3 - 137 CAR HEATER (007001 -). 01 UPPERSTRUCTURE
FIT
1:1
100%

Артикул

Название

Примечание

Количество

01.01.25

4363008

HEATER

1шт.

1

4376471

* CASE

1шт.

2

4376472

* CASE

1шт.

3

4376473

* MOTOR

1шт.

4

4351448

* CORE

1шт.

5

4370271

* RESISTOR

1шт.

6

4376475

* VALVE

1шт.

7

4353160

* PIPE

1шт.

8

4353161

* HOSE

1шт.

9

4353162

* HOSE

1шт.

10

4353163

* COVER

1шт.

11

4353164

* COVER

1шт.

12

4351466

* CLAMP

4шт.

13

4351467

* CLIP

9шт.

14

4376476

* SCREW;TAPPING

3шт.

15

4352934

* SCREW

8шт.

16

4353165

* CLAMP

2шт.

18

4351482

* CLAMP

1шт.

19

J460412

* SCREW;SEMS

1шт.

20

4352933

* WASHER

1шт.

21

4370267

* ISOLATOR

3шт.

22

4370299

* WASHER

3шт.

23

4376479

* HOSE

1шт.

24

4376480

* HARNESS;WIRE

1шт.

25

4370310

* SCREW;TAPPING

2шт.

104

J021030

BOLT;SEMS

4шт.

Выбрано товаров: 26