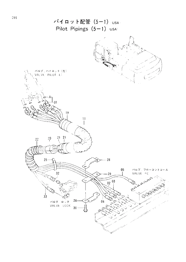
Запчасти Hitachi EX300LCH-2 095 PILOT PIPINGS (5-1) USA (005001 -). 01 UPPERSTRUCTURE

Схема запчастей Hitachi EX300LCH-2 - 095 PILOT PIPINGS (5-1) USA (005001 -). 01 UPPERSTRUCTURE
FIT
1:1
100%

Артикул

Название

Примечание

Количество

2

4318042

HOSE (E)

1шт.

3

4318043

HOSE (L)

1шт.

4

4318044

HOSE (M)

1шт.

5

4318045

HOSE (N)

1шт.

11

4317953

HOSE

1шт.

19

4319234

HOSE

1шт.

20

3056040

STOPPER

1шт.

21

4504491

CLAMP;HOSE

2шт.

22

4044420

PROTECTOR

1шт.

25

4055312

CLIP;BAND

1шт.

28

9727638

CLAMP;HOSE

2шт.

29

9727636

PLATE

1шт.

30

J021035

BOLT;SEMS

2шт.

31

4286916

ELBOW;S

6шт.

31A

957366

* O-RING

1шт.

32

4316006

HOSE (P2)

1шт.

33

4304412

HOSE (T5)

1шт.

Выбрано товаров: 17