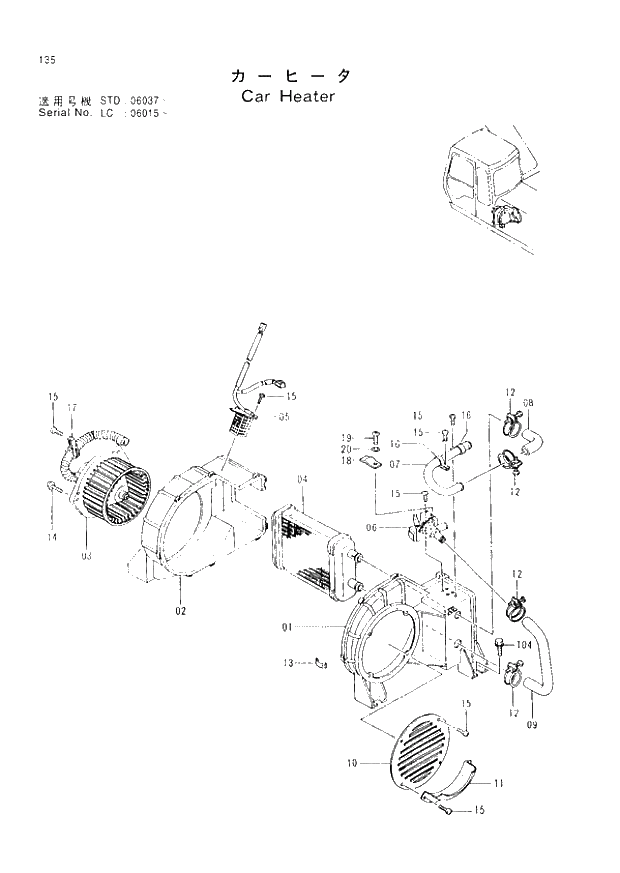
Запчасти Hitachi EX300LCH-2 135 CAR HEATER(STD) (006037 -). 01 UPPERSTRUCTURE

Схема запчастей Hitachi EX300LCH-2 - 135 CAR HEATER(STD) (006037 -). 01 UPPERSTRUCTURE
FIT
1:1
100%

Артикул

Название

Примечание

Количество

01.01.20

4342603

HEATER

1шт.

1

4353158

* CASE

1шт.

2

4353159

* CASE

1шт.

3

4349942

* MOTOR

1шт.

4

4351448

* CORE

1шт.

5

4349943

* RESISTOR

1шт.

6

4351452

* VALVE

1шт.

7

4353160

* PIPE

1шт.

8

4353161

* HOSE

1шт.

9

4353162

* HOSE

1шт.

10

4353163

* COVER

1шт.

11

4353164

* COVER

1шт.

12

4351466

* CLAMP

4шт.

13

4351467

* CLIP

9шт.

14

J450512

* SCREW;SEMS

3шт.

15

4352934

* SCREW

11шт.

16

4353165

* CLAMP

2шт.

17

4353166

* CLAMP

1шт.

18

4351482

* CLAMP

1шт.

19

J450412

* SCREW;SEMS

1шт.

20

4352933

* WASHER

1шт.

104

J021030

BOLT;SEMS

4шт.

Выбрано товаров: 22