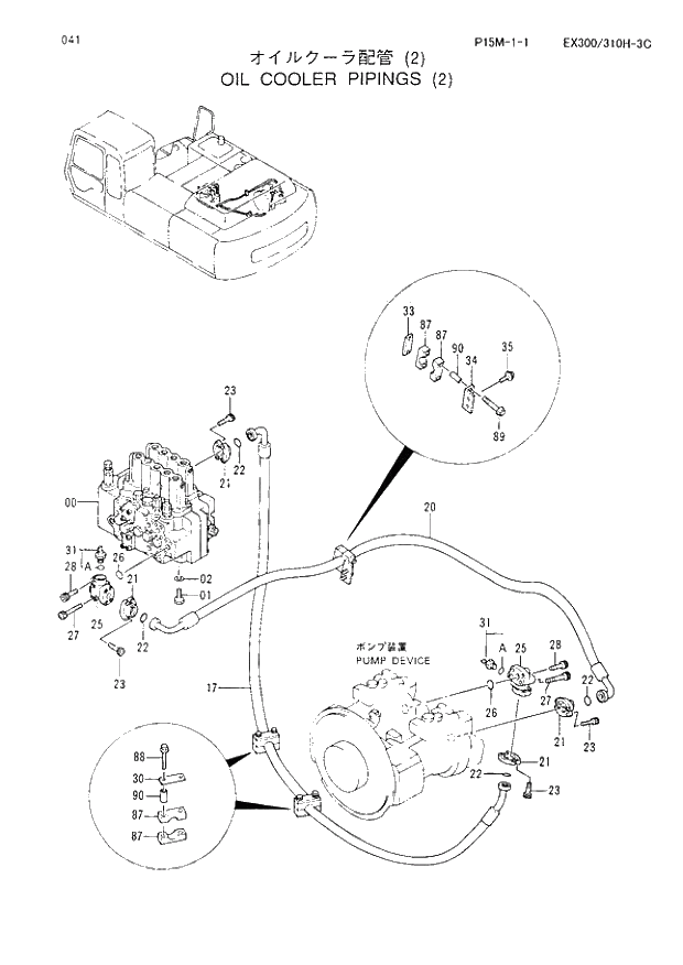
Запчасти Hitachi EX310H-3C 041 OIL COOLER PIPINGS (2). 01 UPPERSTRUCTURE

Схема запчастей Hitachi EX310H-3C - 041 OIL COOLER PIPINGS (2). 01 UPPERSTRUCTURE
FIT
1:1
100%

Артикул

Название

Примечание

Количество

00

4314749

VALVE;CONTROL

1шт.

01

J901635

BOLT

4шт.

02

A590916

WASHER;SPRING

4шт.

17

4319146

HOSE

1шт.

20

4314382

HOSE

1шт.

21

4085560

FLANGE;SPLIT

8шт.

22

966993

O-RING

4шт.

23

M341240

BOLT;SOCKET

16шт.

25

2036705

MANIFOLD

2шт.

26

A811035

O-RING

2шт.

27

M341280

BOLT;SOCKET

4шт.

28

M341245

BOLT;SOCKET

4шт.

30

4195494

PLATE

2шт.

31

4339754

SENSOR;PRES.

2шт.

31A

4150302

* O-RING

1шт.

33

4255264

SEAT;SCREW

1шт.

34

4311350

BRACKET

1шт.

35

J011022

BOLT;SEMS

2шт.

87

4323361

CLAMP

6шт.

88

J011090

BOLT;SEMS

4шт.

89

J011000

BOLT;SEMS

2шт.

90

4323362

SPACER

6шт.

Выбрано товаров: 22