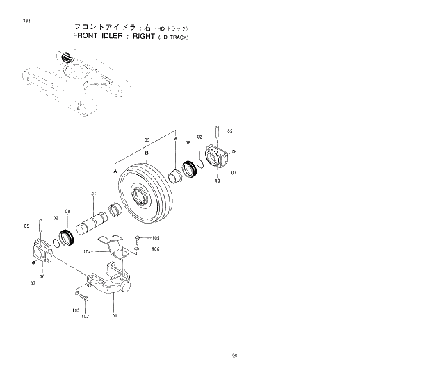
Запчасти Hitachi EX330LC-5 393 FRONT IDLER (R) HD TRACK 02 UNDERCARRIAGE

Схема запчастей Hitachi EX330LC-5 - 393 FRONT IDLER (R) HD TRACK 02 UNDERCARRIAGE
FIT
1:1
100%

Артикул

Название

Примечание

Количество

00-10

9134295

IDLER ASS'Y

1шт.

01

2030997

* AXLE

1шт.

02

4513526

* O-RING

2шт.

03

9134296

* IDLER

1шт.

03A

6014451

** IDLER

1шт.

03B

3037466

** BUSHING

2шт.

05

4153956

* PIN

2шт.

07

94-2011

* PLUG

2шт.

08

4344810

* SEAL;GROUP

2шт.

10

1020353

* BRG.

2шт.

101

1015046

YOKE

1шт.

102

J912060

BOLT

4шт.

103

A590920

WASHER;SPRING

4шт.

104

8073034

GUARD

1шт.

105

J901230

BOLT

3шт.

106

A590912

WASHER;SPRING

3шт.

Выбрано товаров: 16