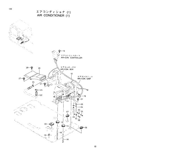
Запчасти Hitachi EX370-5 189 AIR CONDITIONER (1) 01 UPPERSTRUCTURE

Схема запчастей Hitachi EX370-5 - 189 AIR CONDITIONER (1) 01 UPPERSTRUCTURE
FIT
1:1
100%

Артикул

Название

Примечание

Количество

01

J021025

BOLT;SEMS

11шт.

03

4366623

HOSE;WATER

1шт.

04

4344638

HOSE;WATER

1шт.

05

4514699

CLAMP;HOSE

4шт.

06

4341800

PIPE

2шт.

07

4379359

BUSHING;RUBBER

1шт.

08

4276794

BUSHING;RUBBER

1шт.

09

4351009

BUSHING;RUBBER

1шт.

10

4361147

BUSHING;RUBBER

2шт.

12

4280359

CLIP

13шт.

15

J460514

SCREW;SEMS

4шт.

16

2038806

HARNESS;WIRE

-20403

1шт.

16

2041635

HARNESS;WIRE

020404 -

1шт.

18

4251897

HOSE

2шт.

19

4055312

CLIP;BAND

Y -20403

7шт.

19

4055312

CLIP;BAND

020404 -

8шт.

22

4377169

HOSE

1шт.

23

4011675

CLAMP;HOSE

2шт.

26

4350243

DUCT

1шт.

27

J020820

BOLT;SEMS

2шт.

28

J050820

BOLT;SEMS

2шт.

Выбрано товаров: 21