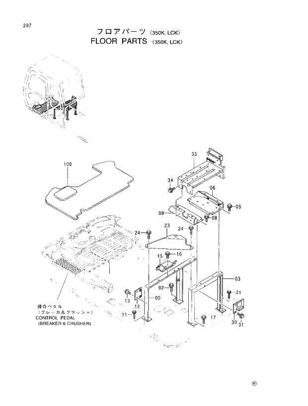
Запчасти Hitachi EX370-5 297 FLOOR PARTS 350K,LCK 01 UPPERSTRUCTURE

Схема запчастей Hitachi EX370-5 - 297 FLOOR PARTS 350K,LCK 01 UPPERSTRUCTURE
FIT
1:1
100%

Артикул

Название

Примечание

Количество

00

7030838

SUPPORT

1шт.

02

J011025

BOLT;SEMS

1шт.

03

7030839

SUPPORT

1шт.

05

J020820

BOLT;SEMS

4шт.

06

8060883

BRACKET

1шт.

08

J020820

BOLT;SEMS

4шт.

09

8060884

BRACKET

1шт.

11

J021030

BOLT;SEMS

1шт.

12

9743487

BRACKET

1шт.

13

J020820

BOLT;SEMS

2шт.

15

8060885

BRACKET

1шт.

16

J020820

BOLT;SEMS

2шт.

17

J011025

BOLT;SEMS

1шт.

21

J021030

BOLT;SEMS

1шт.

23

9743628

BRACKET

1шт.

24

J020825

BOLT;SEMS

2шт.

30

8061717

BRACKET

1шт.

31

J020820

BOLT;SEMS

2шт.

33

7029268

BRACKET

1шт.

34

J020820

BOLT;SEMS

4шт.

100

4372198

FLOOR-CARPET

1шт.

Выбрано товаров: 21