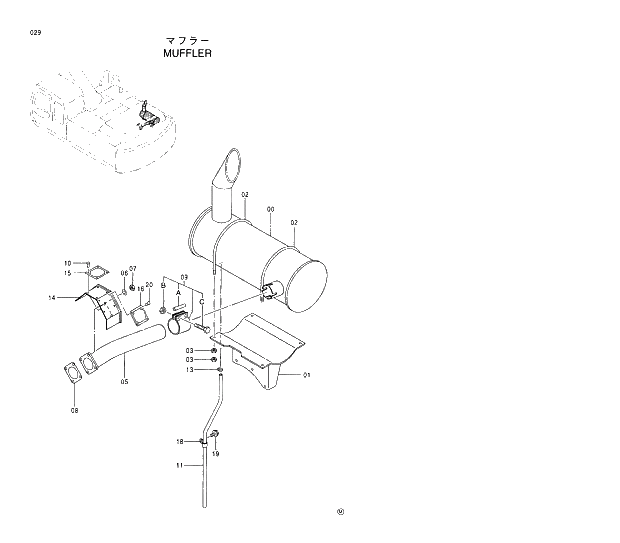
Запчасти Hitachi EX370-5 029 MUFFLER 01 UPPERSTRUCTURE

Схема запчастей Hitachi EX370-5 - 029 MUFFLER 01 UPPERSTRUCTURE
FIT
1:1
100%

Артикул

Название

Примечание

Количество

00

4385675

MUFFLER

1шт.

01

7033139

BRACKET

1шт.

02

4189055

BOLT;U

2шт.

03

J950010

NUT

8шт.

05

8069001

PIPE;EXHAUST

1шт.

06

A590910

WASHER;SPRING

4шт.

07

M521008

NUT

4шт.

08

4368562

GASKET

1шт.

09

4190587

CLAMP

1шт.

09A

4162835

* GASKET

1шт.

09B

4162837

* NUT

2шт.

09C

4162836

* BOLT

2шт.

10

4402421

RIVET

4шт.

11

4297136

TUBE

1шт.

13

4396451

CLAMP;HOSE

1шт.

14

8070200

COVER

1шт.

15

4398654

NAME-PLATE

-20071

1шт.

15

4407874

NAME-PLATE

020072 -

1шт.

16

4399633

NAME-PLATE

-20071

1шт.

18

4344303

CLIP

1шт.

19

J011020

BOLT;SEMS

1шт.

20

4402421

RIVET

-20071

4шт.

Выбрано товаров: 22