Качественные детали и логистика
Оригинальные и аналоговые запчасти с доставкой по России, Казахстану и Беларуси
©2022 PartSell ООО "Система" ИНН 2463123282 ОГРН 1212400004838
Центральный офис: г. Красноярск, Академика Киренского, д.87, пом.4
Телефон: 8 (800) 777-65-74 Email: zakaz@partsell.ru
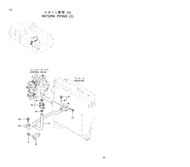
057 RETURN PIPINGS (2)
№
Артикул
Название
Примечание
Количество
01
8070977
PIPE;RETURN
1шт.
02
A811050
O-RING
04
J781280
BOLT;SOCKET
4шт.
05
4113926
PLUG
05A
4506429
* O-RING
06
4067834
COUPLING
06A
4196260
* SEAL
2шт.
08
4053697
CLAMP;PIPE
09
J011270
BOLT;SEMS
10
9748548
BRACKET
11
J021025
Выбрано товаров: 11