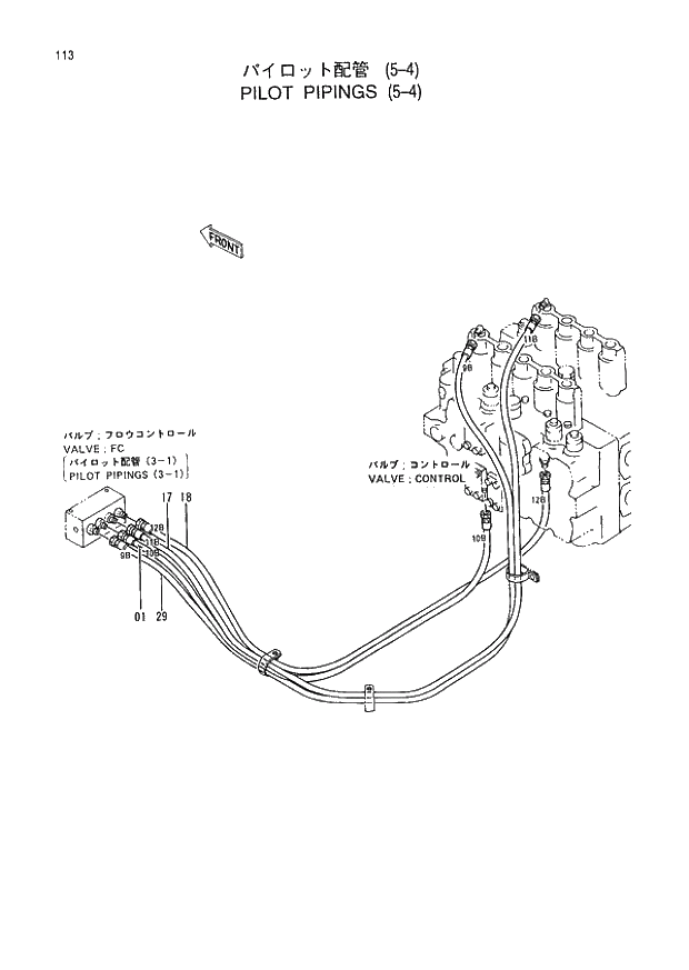
Запчасти Hitachi EX400-3 113 PILOT PIPINGS (5-4) (005001 -). 01 UPPERSTRUCTURE

Схема запчастей Hitachi EX400-3 - 113 PILOT PIPINGS (5-4) (005001 -). 01 UPPERSTRUCTURE
FIT
1:1
100%

Артикул

Название

Примечание

Количество

1

4323577

HOSE;NYLON (10B)

I -5591

1шт.

1

4323577

HOSE;NYLON (10B)

05604 - 05609

1шт.

1

4366784

HOSE (10B)

05592 - 05603

1шт.

1

4366784

HOSE (10B)

05610 -

1шт.

17

4323578

HOSE;NYLON (11B)

I -5591

1шт.

17

4323578

HOSE;NYLON (11B)

05604 - 05609

1шт.

17

4366785

HOSE (11B)

05592 - 05603

1шт.

17

4366785

HOSE (11B)

05610 -

1шт.

18

4323579

HOSE;NYLON (12B)

I -5591

1шт.

18

4323579

HOSE;NYLON (12B)

05604 - 05609

1шт.

18

4366786

HOSE (12B)

05592 - 05603

1шт.

18

4366786

HOSE (12B)

05610 -

1шт.

29

4332163

HOSE;NYLON (9B)

Y -5085

1шт.

29

4332163

HOSE;NYLON (9B)

05096 - 05101

1шт.

29

4345841

HOSE;NYLON (9B)

I 05086 - 05095

1шт.

29

4345841

HOSE;NYLON (9B)

05102 - 05591

1шт.

29

4345841

HOSE;NYLON (9B)

05604 - 05609

1шт.

29

4366783

HOSE (9B)

05592 - 05603

1шт.

29

4366783

HOSE (9B)

05610 -

1шт.

Выбрано товаров: 19