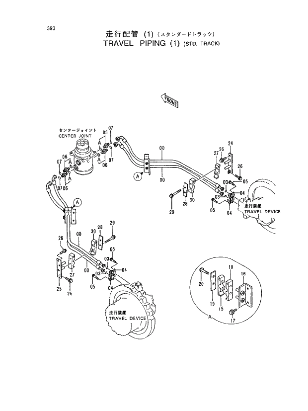
Запчасти Hitachi EX400-5 393 TRAVEL PIPING (1) (STD. TRACK) 02 UNDERCARRIAGE

Схема запчастей Hitachi EX400-5 - 393 TRAVEL PIPING (1) (STD. TRACK) 02 UNDERCARRIAGE
FIT
1:1
100%

Артикул

Название

Примечание

Количество

00

4327471

HOSE

4шт.

03

966993

O-RING

4шт.

04

4085560

FLANGE;SPLIT

8шт.

05

M341240

BOLT;SOCKET

16шт.

06

4189535

ADAPTER;S

4шт.

06A

4506429

* O-RING

1шт.

07

4187328

O-RING

4шт.

15

4339413

CLAMP;HOSE

2шт.

16

8061456

BRACKET

2шт.

17

J031230

BOLT;SEMS

4шт.

18

4267673

CLAMP;HOSE

2шт.

19

4268908

PLATE

2шт.

20

J011200

BOLT;SEMS

4шт.

24

8061463

BRACKET

1шт.

25

8061464

BRACKET

1шт.

26

J031230

BOLT;SEMS

4шт.

27

4267673

CLAMP;HOSE

2шт.

28

4268908

PLATE

2шт.

29

J011200

BOLT;SEMS

4шт.

30

4339413

CLAMP;HOSE

2шт.

Выбрано товаров: 20