Запчасти Hitachi EX400 тип А 015 MUFFLER 01 UPPERSTRUCTURE

Схема запчастей Hitachi EX400 тип А - 015 MUFFLER 01 UPPERSTRUCTURE
FIT
1:1
100%

Артикул

Название

Примечание

Количество

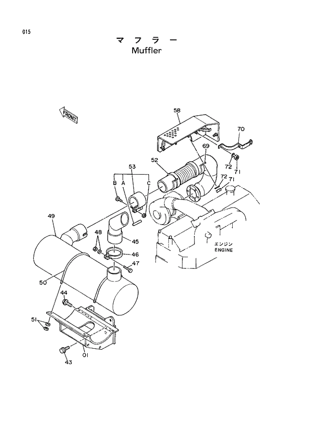
01

7018522

BRACKET

1шт.

43

J011020

BOLT;SEMS

3шт.

44

J011060

BOLT;SEMS

2шт.

45

8039211

PIPE

1шт.

46

4034264

BAND

1шт.

47

J901050

BOLT

1шт.

48

M520010

NUT

2шт.

49

4205649

MUFFLER

1шт.

50

4155448

BOLT;U

2шт.

51

J950010

NUT

8шт.

52

7018526

PIPE;EXHAUST

1шт.

53

4246030

CLAMP

1шт.

53A

4162835

* GASKET

1шт.

53B

4162836

* BOLT

2шт.

53C

4162837

* NUT

2шт.

58

7019745

COVER

1шт.

69

4226571

CLAMP

2шт.

70

8055882

CLAMP

1шт.

71

J950010

NUT

6шт.

72

A590910

WASHER;SPRING

6шт.

Выбрано товаров: 20