Запчасти Hitachi EX400 тип B 047 VALVE 03 VALVE

Схема запчастей Hitachi EX400 тип B - 047 VALVE 03 VALVE
FIT
1:1
100%

Артикул

Название

Примечание

Количество

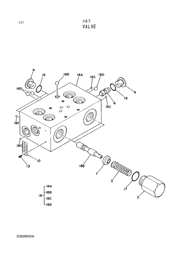
4207493

VALVE

1шт.

2

0352601

* PLUG

2шт.

3

0352602

* SPRING

2шт.

6

0252203

* SPOOL

1шт.

7

0352603

* RETAINER

2шт.

9

0314205

* PLUG

3шт.

10

+++++++

* NAME-PLATE

1шт.

13

0208717

* SCREW;DRIVE

2шт.

16

957366

* O-RING

3шт.

17

4506418

* O-RING

2шт.

18A-D

0352604

* BODY ASS'Y

1шт.

18A

+++++++

** BODY

1шт.

18B

+++++++

** PLUNGER

2шт.

18C

+++++++

** BALL;STEEL

4шт.

18D

+++++++

** BALL;STEEL

4шт.

Выбрано товаров: 15