Запчасти Hitachi EX400 тип B 081 GAUGE PANEL 01 UPPERSTRUCTURE

Схема запчастей Hitachi EX400 тип B - 081 GAUGE PANEL 01 UPPERSTRUCTURE
FIT
1:1
100%

Артикул

Название

Примечание

Количество

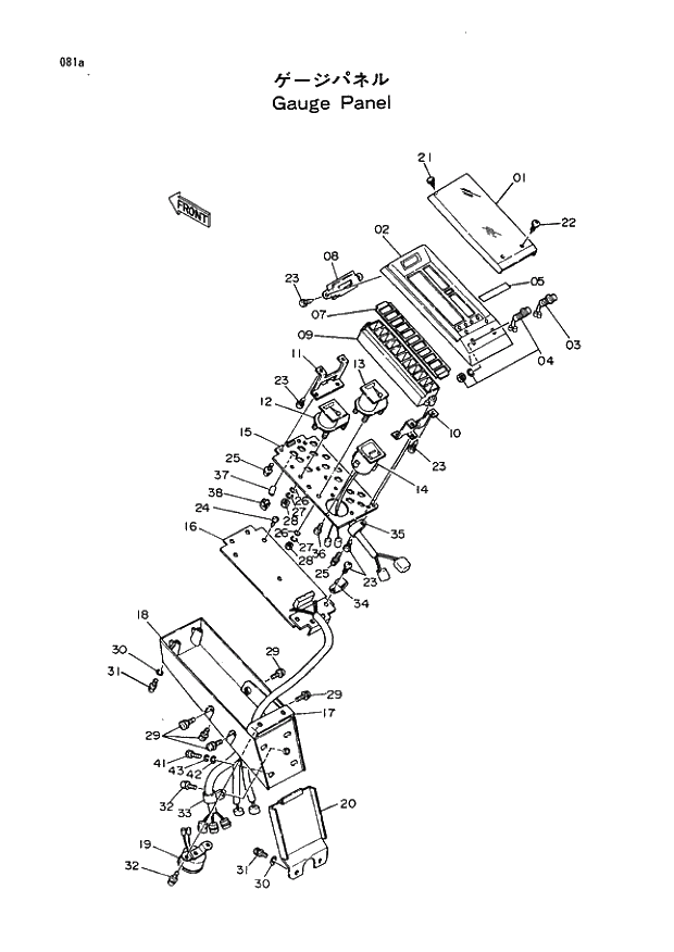
01

4208843

* COVER

1шт.

01-38

4304005

PANEL;GAUGE ASS'Y

1шт.

02

4208844

* HOUSING;UPPER

1шт.

03

4208845

* SWITCH (BUZZER CANCEL)

1шт.

04

4208846

* SWITCH (LEVEL CHECK)

1шт.

05

4210974

* MASK

1шт.

07

4208849

* LENS;WARNING

1шт.

08

4210977

* MASK

1шт.

09

4208851

* HOUSING;LAMP

1шт.

10

4208852

* BRACKET

1шт.

11

4208853

* BRACKET

1шт.

12

4208854

* METER;TEMP.

1шт.

13

4208855

* METER;FUEL

1шт.

14

4208856

* METER;HOUR

1шт.

15

4210975

* BOARD;METER

1шт.

16

4210978

* BOARD;CONTROL

1шт.

17

4208859

* BRACKET

1шт.

18

4208860

* HOUSING;LOWER

1шт.

19

4208861

* BUZZER

1шт.

20

4208862

* COVER

1шт.

21

4208863

* SCREW;TAPPING

2шт.

22

4208864

* SCREW;TAPPING

2шт.

23

4208865

* SCREW;TAPPING

12шт.

24

4208866

* SCREW;TAPPING

2шт.

25

4208867

* SCREW

5шт.

26

4208868

* WASHER

8шт.

27

A590903

* WASHER;SPRING

8шт.

28

M500303

* NUT

8шт.

29

4208870

* SCREW

6шт.

30

4208871

* WASHER

6шт.

31

4208872

* SCREW

6шт.

32

4208873

* SCREW

3шт.

33

4208874

* CLIP

1шт.

34

4213161

* CLIP

1шт.

35

4210979

* CLIP

1шт.

36

4208877

* SCREW;TAPPING

3шт.

37

4208878

* BULB

15шт.

38

4208879

* SOCKET;BULB

15шт.

41

J900820

BOLT

4шт.

42

A590108

WASHER

4шт.

43

A590908

WASHER;SPRING

4шт.

Выбрано товаров: 41