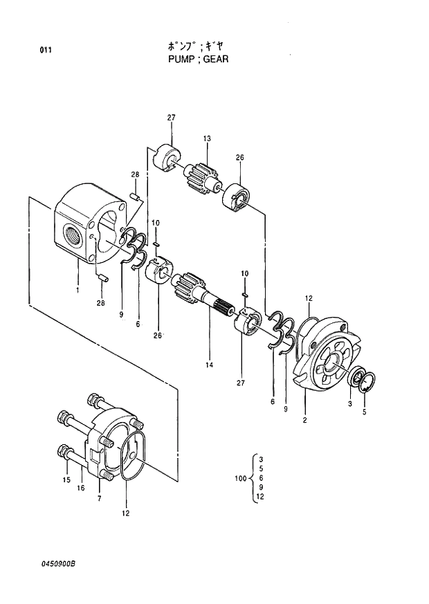
Запчасти Hitachi EX400H-3 011 PUMP GEAR (005001 -). 01 PUMP

Схема запчастей Hitachi EX400H-3 - 011 PUMP GEAR (005001 -). 01 PUMP
FIT
1:1
100%

Артикул

Название

Примечание

Количество

4276918

PUMP;GEAR

1шт.

1

+++++++

* HOUSING

1шт.

2

354601

* FLANGE

1шт.

3

408202

* SEAL;OIL

1шт.

5

354604

* RING;RETAINING

1шт.

6

408203

* SEAL

2шт.

7

354603

* COVER

1шт.

9

354607

* RING;BACK-UP

2шт.

10

354614

* KEY

2шт.

12

354608

* O-RING

2шт.

13

+++++++

* GEAR

1шт.

14

+++++++

* GEAR

1шт.

15

354611

* WASHER

4шт.

16

408204

* BOLT

4шт.

26

+++++++

* BUSH

2шт.

27

+++++++

* BUSH

2шт.

28

354610

* PIN

4шт.

100

408207

KIT;SEAL

1шт.

Выбрано товаров: 18