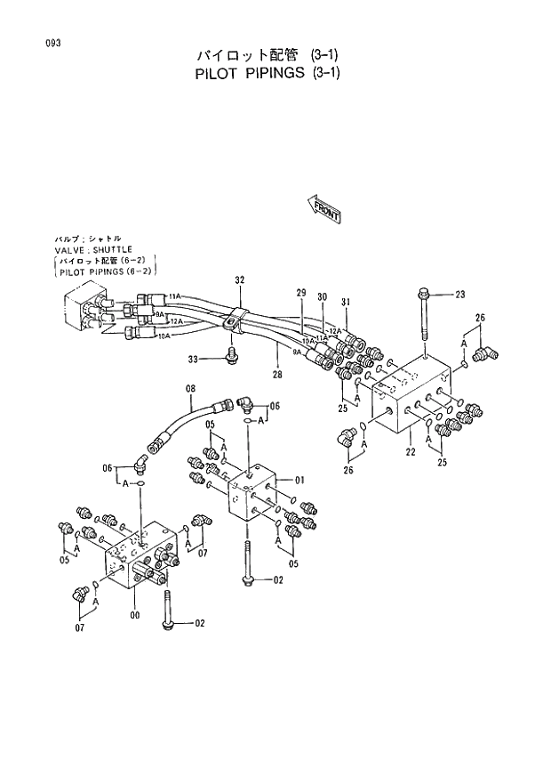
Запчасти Hitachi EX400H-3 093 PILOT PIPINGS (3-1) (005001 -). 01 UPPERSTRUCTURE

Схема запчастей Hitachi EX400H-3 - 093 PILOT PIPINGS (3-1) (005001 -). 01 UPPERSTRUCTURE
FIT
1:1
100%

Артикул

Название

Примечание

Количество

0

4335650

VALVE;FC

1шт.

1

4254613

VALVE;SHUTTLE

1шт.

2

J020816

BOLT;SEMS

4шт.

5

4200466

ADAPTER;S

12шт.

05A

4509180

* O-RING

1шт.

6

4154670

ELBOW;S

2шт.

06A

957366

* O-RING

1шт.

7

4154671

ELBOW;S

2шт.

07A

4509180

* O-RING

1шт.

8

4259316

HOSE;NYLON (SJ)

I -5591

1шт.

8

4259316

HOSE;NYLON (SJ)

05604 - 05609

1шт.

8

4366752

HOSE (SJ)

05592 - 05603

1шт.

8

4366752

HOSE (SJ)

05610 -

1шт.

22

4335088

VALVE;FC

1шт.

23

4305337

BOLT;SEMS

2шт.

25

4200466

ADAPTER;S

8шт.

25A

4509180

* O-RING

1шт.

26

4200471

ELBOW;S

2шт.

26A

4506418

* O-RING

1шт.

28

4304437

HOSE;NYLON (9A)

I -5591

1шт.

28

4304437

HOSE;NYLON (9A)

05604 - 05609

1шт.

28

4366748

HOSE (9A)

05592 - 05603

1шт.

28

4366748

HOSE (9A)

05610 -

1шт.

29

4304439

HOSE;NYLON (10A)

I -5591

1шт.

29

4304439

HOSE;NYLON (10A)

05604 - 05609

1шт.

29

4366749

HOSE (10A)

05592 - 05603

1шт.

29

4366749

HOSE (10A)

05610 -

1шт.

30

4304441

HOSE;NYLON (11A)

I -5591

1шт.

30

4304441

HOSE;NYLON (11A)

05604 - 05609

1шт.

30

4366750

HOSE (11A)

05592 - 05603

1шт.

30

4366750

HOSE (11A)

05610 -

1шт.

31

4304443

HOSE;NYLON (12A)

I -5591

1шт.

31

4304443

HOSE;NYLON (12A)

05604 - 05609

1шт.

31

4366751

HOSE (12A)

05591 - 05603

1шт.

31

4366751

HOSE (12A)

05610 -

1шт.

32

4190291

CLIP

1шт.

33

J011025

BOLT;SEMS

1шт.

Выбрано товаров: 37