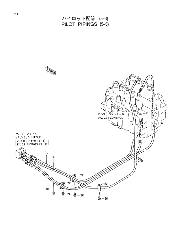
Запчасти Hitachi EX400H-3 111 PILOT PIPINGS (5-3) (005001 -). 01 UPPERSTRUCTURE

Схема запчастей Hitachi EX400H-3 - 111 PILOT PIPINGS (5-3) (005001 -). 01 UPPERSTRUCTURE
FIT
1:1
100%

Артикул

Название

Примечание

Количество

1

4308639

HOSE;NYLON (7)

I -5591

1шт.

1

4308639

HOSE;NYLON (7)

05604 - 05609

1шт.

1

4366781

HOSE (7)

05592 - 05603

1шт.

1

4366781

HOSE (7)

05610 -

1шт.

14

4317679

HOSE;NYLON (8)

I -5591

1шт.

14

4317679

HOSE;NYLON (8)

05604 - 05609

1шт.

14

4366782

HOSE (8)

05592 - 05603

1шт.

14

4366782

HOSE (8)

05610 -

1шт.

22

4190265

CLIP

3шт.

26

J011025

BOLT;SEMS

3шт.

30

4342971

HOSE;NYLON (5)

Y -5085

1шт.

30

4342971

HOSE;NYLON (5)

05096 - 05101

1шт.

30

4345840

HOSE;NYLON (5)

I 05086 - 05095

1шт.

30

4345840

HOSE;NYLON (5)

05102 - 05591

1шт.

30

4345840

HOSE;NYLON (5)

05604 - 05609

1шт.

30

4366779

HOSE (5)

05592 - 05603

1шт.

30

4366779

HOSE (5)

05610 -

1шт.

31

4317678

HOSE;NYLON (6)

I -5591

1шт.

31

4317678

HOSE;NYLON (6)

05604 - 05609

1шт.

31

4366780

HOSE(6)

05592 - 05603

1шт.

31

4366780

HOSE(6)

05610 -

1шт.

Выбрано товаров: 21