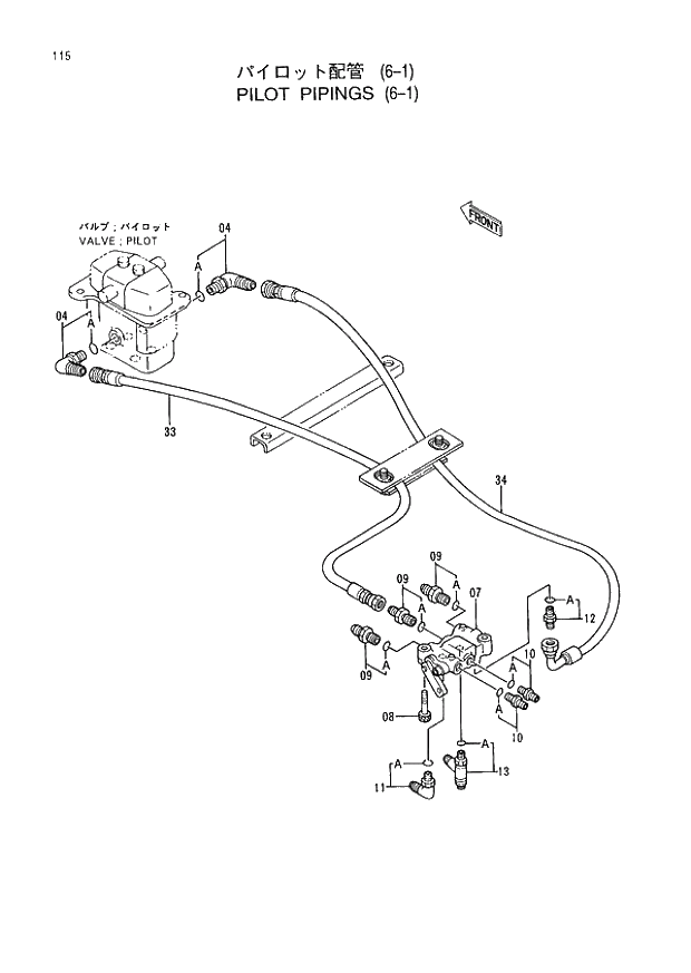
Запчасти Hitachi EX400H-3 115 PILOT PIPINGS (6-1) (005001 -). 01 UPPERSTRUCTURE

Схема запчастей Hitachi EX400H-3 - 115 PILOT PIPINGS (6-1) (005001 -). 01 UPPERSTRUCTURE
FIT
1:1
100%

Артикул

Название

Примечание

Количество

4

4156434

ELBOW;S

2шт.

04A

957366

* O-RING

1шт.

7

4254611

VALVE;LOCK

1шт.

8

M341045

BOLT;SOCKET

2шт.

9

4261938

FILTER

3шт.

09A

4509180

* O-RING

1шт.

10

4200466

ADAPTER;S

2шт.

10A

4509180

* O-RING

1шт.

11

4154671

ELBOW;S

1шт.

11A

4509180

* O-RING

1шт.

12

4200466

ADAPTER;S

1шт.

12A

4509180

* O-RING

1шт.

13

4225403

TEE;S

1шт.

13A

4509180

* O-RING

1шт.

33

4215624

HOSE;NYLON (P1)

I -5595

1шт.

33

4215624

HOSE;NYLON (P1)

05604 - 05608

1шт.

33

4366787

HOSE (P1)

05596 - 05603

1шт.

33

4366787

HOSE (P1)

05609 -

1шт.

34

4281530

HOSE;NYLON (T4)

I -5595

1шт.

34

4281530

HOSE;NYLON (T4)

05604 - 05608

1шт.

34

4366788

HOSE (T4)

05596 - 05603

1шт.

34

4366788

HOSE (T4)

05609 -

1шт.

Выбрано товаров: 22