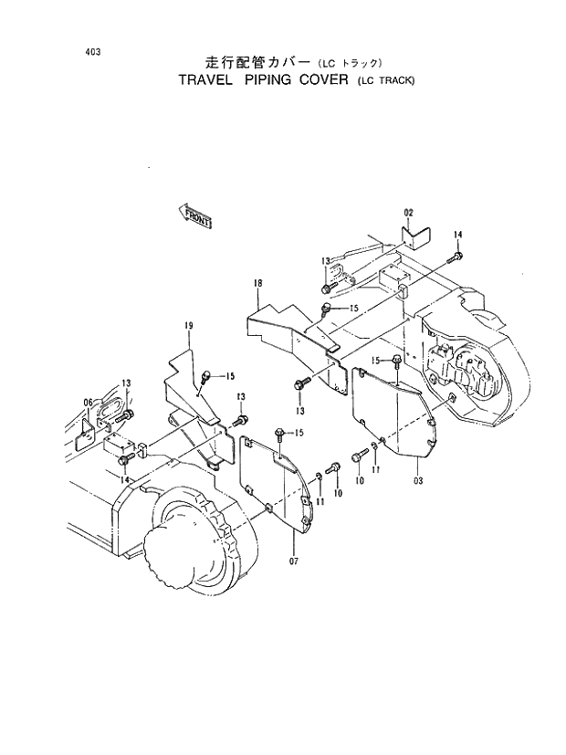
Запчасти Hitachi EX450H-5 403 TRAVEL PIPING COVER (LC TRACK) 02 UNDERCARRIAGE

Схема запчастей Hitachi EX450H-5 - 403 TRAVEL PIPING COVER (LC TRACK) 02 UNDERCARRIAGE
FIT
1:1
100%

Артикул

Название

Примечание

Количество

02

7023861

COVER

1шт.

03

7029219

COVER

1шт.

06

7023860

COVER

1шт.

07

7029220

COVER

1шт.

10

4257968

BOLT;SHOE

8шт.

11

A590916

WASHER;SPRING

8шт.

13

J031235

BOLT;SEMS

12шт.

14

J031250

BOLT;SEMS

2шт.

15

J011225

BOLT;SEMS

4шт.

18

6014708

COVER

1шт.

19

6014709

COVER

1шт.

Выбрано товаров: 11