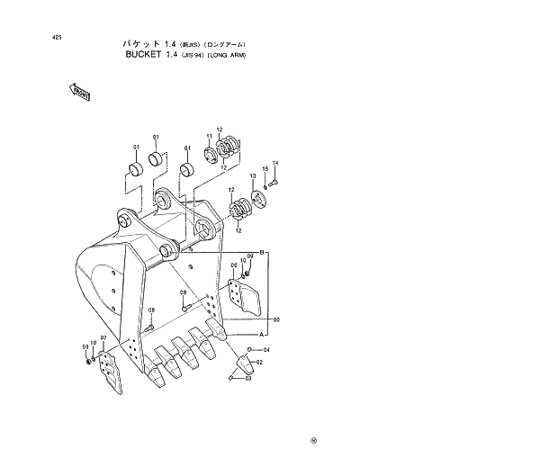
Запчасти Hitachi EX450LC-5 425 BUCKET 1.4 JIS94 (LONG ARM) 03 BACKHOE ATTACHMENTS

Схема запчастей Hitachi EX450LC-5 - 425 BUCKET 1.4 JIS94 (LONG ARM) 03 BACKHOE ATTACHMENTS
FIT
1:1
100%

Артикул

Название

Примечание

Количество

9135296

BUCKET ASS'Y

1шт.

00

5004241

* BUCKET

1шт.

00A

4242623

** ADAPTER;TOOTH

5шт.

00B

4143531

** STOPPER

2шт.

01

4244406

* BUSHING

3шт.

02

4512365

* POINT;TOOTH

5шт.

03

4512366

* PIN;LOCK

5шт.

04

4501625

* RUBBER;LOCK

5шт.

06

2021232

* CUTTER;SIDE

1шт.

07

2021233

* CUTTER;SIDE

1шт.

08

J932275

* BOLT

12шт.

09

J951022

* NUT

12шт.

10

A590922

* WASHER;SPRING

12шт.

11

4277928

* BOSS

1шт.

12

4277930

* SHIM

12шт.

13

4277929

* PLATE

1шт.

14

J901495

* BOLT

3шт.

15

A590914

* WASHER;SPRING

3шт.

Выбрано товаров: 18