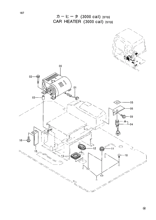
Запчасти Hitachi EX60-5 187 CAR HEATER (3000 cal) STD (050001 -). 01 UPPERSTRUCTURE

Схема запчастей Hitachi EX60-5 - 187 CAR HEATER (3000 cal) STD (050001 -). 01 UPPERSTRUCTURE
FIT
1:1
100%

Артикул

Название

Примечание

Количество

0

4300682

HEATER UNIT

1шт.

1

4395728

HARNESS;WIRE

1шт.

2

J021055

BOLT;SEMS

4шт.

3

4375418

SPACER

4шт.

4

4184397

SWITCH

1шт.

04A

4268750

* KNOB

1шт.

5

4393103

NAME-PLATE

1шт.

6

3077032

BRACKET

1шт.

9

J680616

SCREW;SEMS

2шт.

10

4280359

CLIP

4шт.

11

4205084

BUSHING;RUBBER

2шт.

12

4276794

BUSHING;RUBBER

1шт.

13

4361119

BUSHING;RUBBER

1шт.

15

3078606

COVER

1шт.

16

J010616

BOLT;SEMS

2шт.

Выбрано товаров: 15