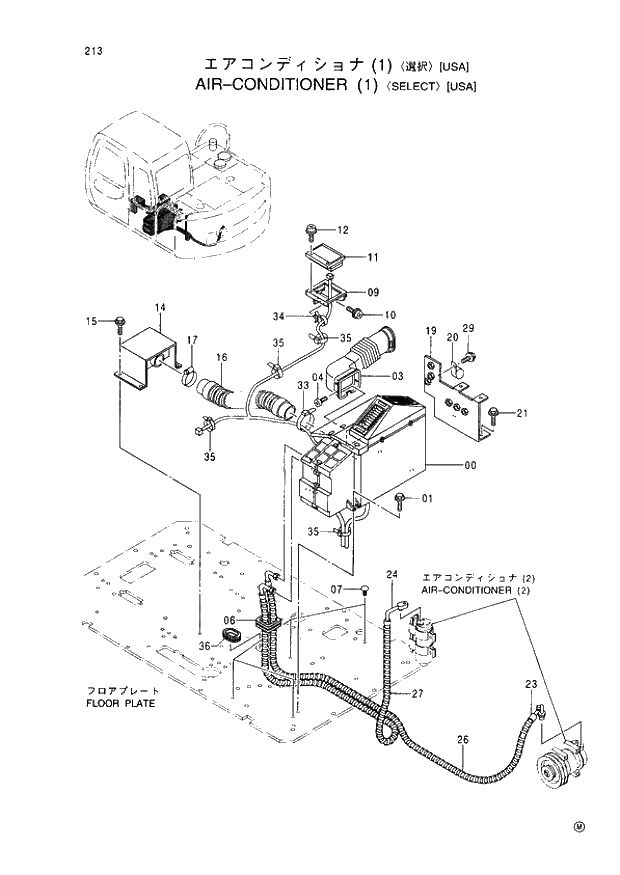
Запчасти Hitachi EX60-5 213 AIR CONDITIONER (1) SELECT (USA) (050001 -). 01 UPPERSTRUCTURE

Схема запчастей Hitachi EX60-5 - 213 AIR CONDITIONER (1) SELECT (USA) (050001 -). 01 UPPERSTRUCTURE
FIT
1:1
100%

Артикул

Название

Примечание

Количество

0

4417875

AIR-CONDITIONER

1шт.

1

J021025

BOLT;SEMS

4шт.

3

4422122

DUCT

1шт.

4

4422123

SCREW

4шт.

6

4351009

BUSHING;RUBBER

1шт.

7

4280359

CLIP

4шт.

9

7036331

BRACKET

1шт.

10

J680616

SCREW;SEMS

2шт.

11

4422121

PANEL

1шт.

12

J680416

SCREW;SEMS

2шт.

14

8074929

DUCT <60>

1шт.

14

8080478

DUCT <80>

1шт.

15

J010820

BOLT;SEMS <80>

4шт.

15

J011020

BOLT;SEMS <60>

4шт.

16

4422124

HOSE

1шт.

17

4504491

CLAMP;HOSE

1шт.

19

8075904

BRACKET

1шт.

20

4190264

CLIP

1шт.

21

J021030

BOLT;SEMS

2шт.

23

4421588

HOSE;COOLER

1шт.

24

4421590

HOSE;COOLER

1шт.

26

4044420

PROTECTOR

4шт.

27

4133527

PROTECTOR

3шт.

29

J021020

BOLT;SEMS

1шт.

33

4121859

CLIP;BAND

1шт.

34

4254600

CLIP

1шт.

35

4055312

CLIP;BAND

4шт.

36

4276794

BUSHING;RUBBER

1шт.

Выбрано товаров: 28