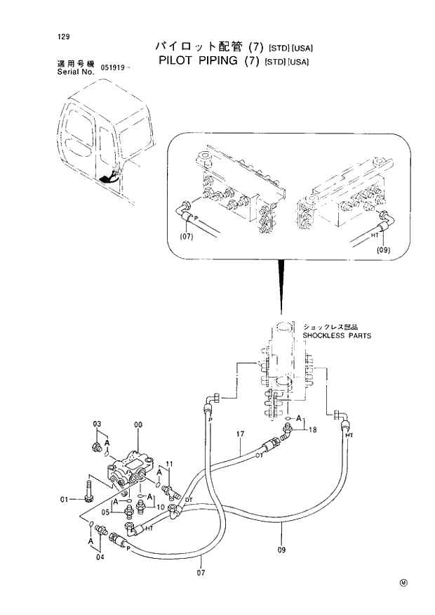
Запчасти Hitachi EX60-5 129 PILOT PIPINGS (7) STD(USA)(051919 -). 141 ACCUMULATOR (EU) N.EUROPE (050001 -).

Схема запчастей Hitachi EX60-5 - 129 PILOT PIPINGS (7) STD(USA)(051919 -). 141 ACCUMULATOR (EU) N.EUROPE (050001 -).
FIT
1:1
100%

Артикул

Название

Примечание

Количество

0

4334827

VALVE;LOCK

1шт.

1

J781045

BOLT;SOCKET

2шт.

3

4092534

PLUG

1шт.

03A

4509180

* O-RING

1шт.

4

4200466

ADAPTER;S

1шт.

04A

4509180

* O-RING

1шт.

5

4261937

FILTER

1шт.

05A

957366

* O-RING

1шт.

7

4414262

HOSE;PLASTIC (P)

1шт.

9

4414263

HOSE;PLASTIC (HT)

1шт.

10

4200468

ADAPTER;S

1шт.

10A

4509180

* O-RING

1шт.

11

4208909

TEE;S

1шт.

11A

4509180

* O-RING

1шт.

17

4393601

HOSE;PLASTIC (DT)

1шт.

18

4154670

ELBOW;S

1шт.

18A

957366

* O-RING

1шт.

Выбрано товаров: 17