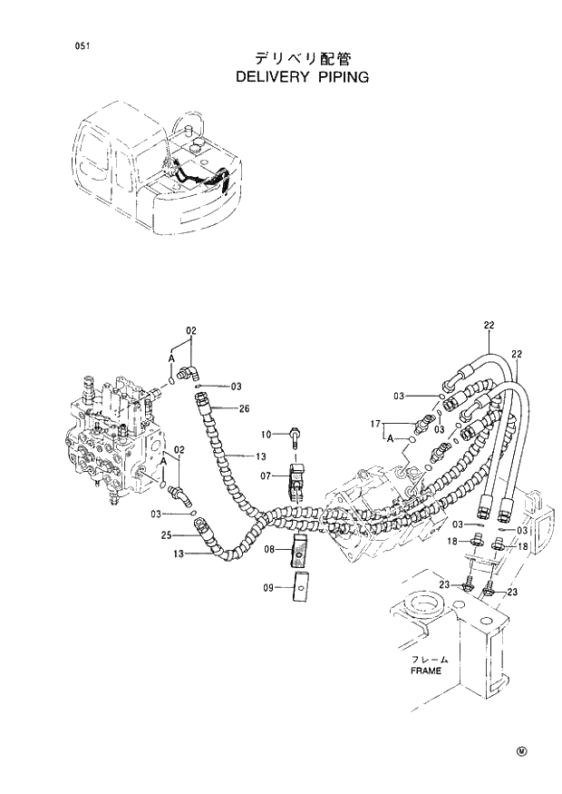
Запчасти Hitachi EX60-5 051 DELIVERY PIPINGS (050001 -). 01 UPPERSTRUCTURE

Схема запчастей Hitachi EX60-5 - 051 DELIVERY PIPINGS (050001 -). 01 UPPERSTRUCTURE
FIT
1:1
100%

Артикул

Название

Примечание

Количество

2

4157562

ELBOW;S

2шт.

02A

4506424

* O-RING

1шт.

3

4187308

O-RING

8шт.

7

4303988

CLAMP;PIPE

1шт.

8

4285722

RUBBER

1шт.

9

4303989

PLATE

1шт.

10

J011090

BOLT;SEMS

1шт.

13

4044420

PROTECTOR

6шт.

17

4218070

TEE;S

2шт.

17A

4506424

* O-RING

1шт.

18

4204882

PLUG

2шт.

22

4392856

HOSE

2шт.

23

J011230

BOLT;SEMS

2шт.

25

4196297

HOSE

1шт.

26

4227051

HOSE

1шт.

Выбрано товаров: 15