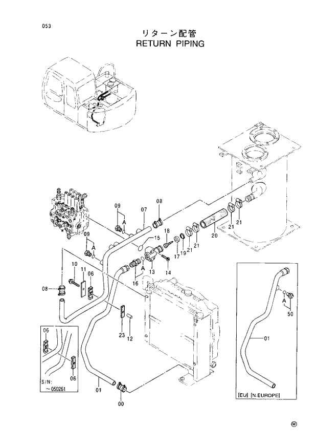
Запчасти Hitachi EX60-5 053 RETURN PIPINGS (050001 -). 01 UPPERSTRUCTURE

Схема запчастей Hitachi EX60-5 - 053 RETURN PIPINGS (050001 -). 01 UPPERSTRUCTURE
FIT
1:1
100%

Артикул

Название

Примечание

Количество

0

4071213

COUPLING

1шт.

1

7032142

PIPE [STD][USA]

1шт.

1

7034533

PIPE [EU][N.EUROPE]

1шт.

6

3072291

RUBBER

050262 -

1шт.

6

3072291

RUBBER

-50261

2шт.

7

7032209

PIPE

1шт.

8

4071213

COUPLING

2шт.

9

4174542

PLUG

2шт.

09A

4506424

* O-RING

1шт.

10

J011290

BOLT;SEMS

1шт.

11

4395480

PLATE

1шт.

12

4395492

SPACER

1шт.

13

2023808

MANIFOLD

1шт.

14

J751065

BOLT;SOCKET

4шт.

15

A810050

O-RING

1шт.

16

4042034

ADAPTER

1шт.

16A

4506429

* O-RING

1шт.

17

4197527

RING

1шт.

18

4197528

VALVE

1шт.

19

930453

RING;RETAINING

1шт.

20

4099118

HOSE;RUBBER

1шт.

21

4504198

CLAMP;HOSE

4шт.

23

4395766

RUBBER

050262 -

1шт.

50

4174542

PLUG [EU][N.EUROPE]

1шт.

50A

4506424

* O-RING[EU][N.EUROPE]

1шт.

Выбрано товаров: 25