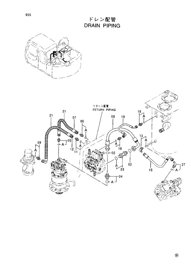
Запчасти Hitachi EX60-5 055 DRAIN PIPINGS (050001 -). 01 UPPERSTRUCTURE

Схема запчастей Hitachi EX60-5 - 055 DRAIN PIPINGS (050001 -). 01 UPPERSTRUCTURE
FIT
1:1
100%

Артикул

Название

Примечание

Количество

2

4187308

O-RING

2шт.

4

4189619

ADAPTER;S

1шт.

04A

4506424

* O-RING

1шт.

5

4200466

ADAPTER;S

1шт.

05A

4509180

* O-RING

1шт.

6

4200469

ADAPTER;S

1шт.

06A

4506418

* O-RING

1шт.

7

4241338

HOSE;NYLON

1шт.

8

4295517

HOSE

1шт.

9

4200466

ADAPTER;S

1шт.

09A

4509180

* O-RING

1шт.

11

4200469

ADAPTER;S

1шт.

11A

4506418

* O-RING

1шт.

12

4389468

HOSE;PLASTIC

1шт.

13

4154672

ELBOW;S

1шт.

13A

4506418

* O-RING

1шт.

15

4308024

HOSE

050487 -

1шт.

15

4308289

HOSE

T -50486

1шт.

15

4308289

HOSE

T -50486

1шт.

18

4200465

ADAPTER;S

2шт.

18A

957366

* O-RING

1шт.

19

4389469

HOSE

1шт.

21

4133527

PROTECTOR

4шт.

23

4189539

ADAPTER;S

1шт.

23A

4506424

* O-RING

1шт.

27

4154672

ELBOW;S

-50486

1шт.

27

4217342

ELBOW;S

050487 -

1шт.

27A

4506418

* O-RING

-50486

1шт.

27A

4506418

* O-RING

050487 -

1шт.

Выбрано товаров: 0