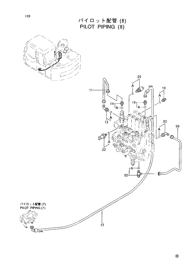
Запчасти Hitachi EX60-5 139 PILOT PIPINGS (8) (050001 -). 01 UPPERSTRUCTURE

Схема запчастей Hitachi EX60-5 - 139 PILOT PIPINGS (8) (050001 -). 01 UPPERSTRUCTURE
FIT
1:1
100%

Артикул

Название

Примечание

Количество

0

4373804

PIPE

1шт.

2

4203485

FITTING;PIPE

1шт.

02A

957366

* O-RING

1шт.

3

4293950

ELBOW;S

1шт.

03A

957366

* O-RING

1шт.

11

4373805

PIPE

1шт.

13

4293950

ELBOW;S

1шт.

13A

957366

* O-RING

1шт.

14

4255304

FITTING;PIPE

1шт.

14A

957366

* O-RING

1шт.

17

4373786

HOSE;PLASTIC (DR1)

1шт.

19

4200465

ADAPTER;S

2шт.

19A

957366

* O-RING

1шт.

22

4353686

SWITCH

1шт.

22A

957366

* O-RING

1шт.

25

4380677

SWITCH

1шт.

25A

957366

* O-RING

1шт.

Выбрано товаров: 17