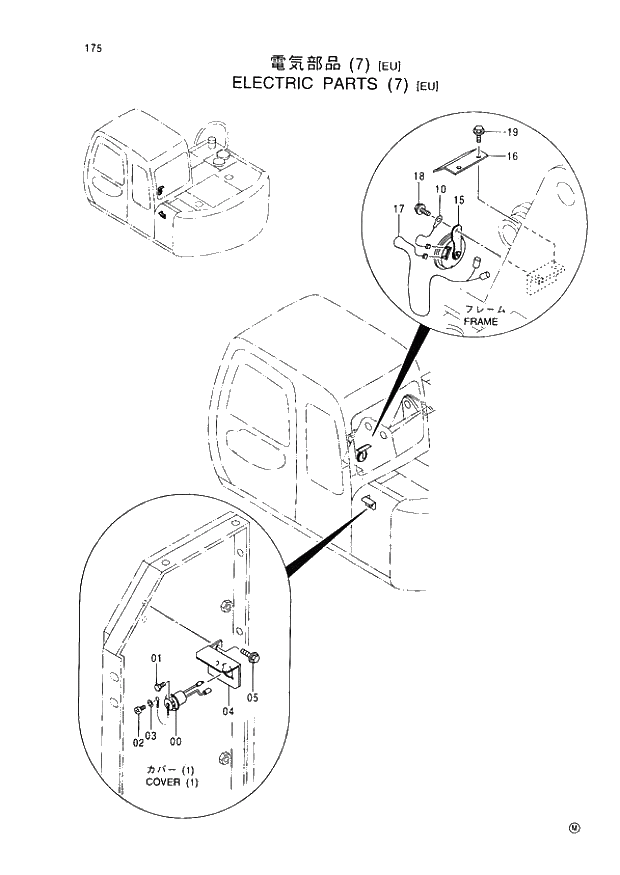
Запчасти Hitachi EX60-5 175 ELECTRIC PARTS (7) EU (050001 -). 01 UPPERSTRUCTURE

Схема запчастей Hitachi EX60-5 - 175 ELECTRIC PARTS (7) EU (050001 -). 01 UPPERSTRUCTURE
FIT
1:1
100%

Артикул

Название

Примечание

Количество

0

4115640

CONSENT

1шт.

1

M470306

BOLT

3шт.

2

M430308

SCREW

1шт.

3

A590903

WASHER;SPRING

1шт.

4

8059567

BRACKET

1шт.

5

J010820

BOLT;SEMS

2шт.

10

4254603

HARNESS;WIRE (HORN)

1шт.

15

4190705

HORN

1шт.

16

4372916

PLATE

1шт.

17

4334951

HARNESS;WIRE (HORN SUB)

1шт.

18

J010825

BOLT;SEMS

1шт.

19

J020825

BOLT;SEMS

2шт.

Выбрано товаров: 12