Качественные детали и логистика
Оригинальные и аналоговые запчасти с доставкой по России, Казахстану и Беларуси
©2022 PartSell ООО "Система" ИНН 2463123282 ОГРН 1212400004838
Центральный офис: г. Красноярск, Академика Киренского, д.87, пом.4
Телефон: 8 (800) 777-65-74 Email: zakaz@partsell.ru
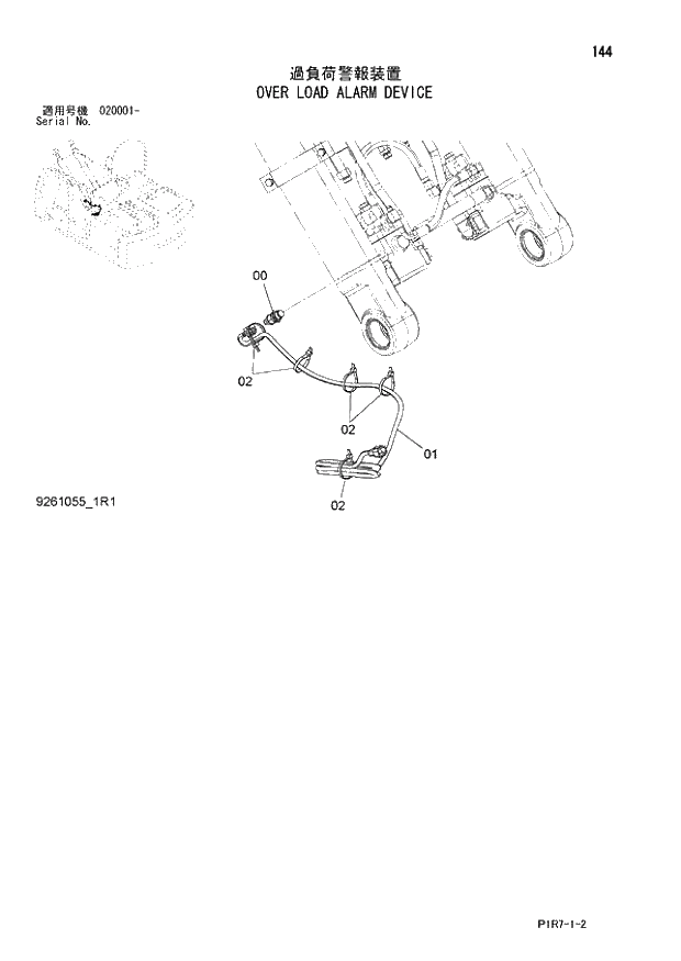
144_OVER LOAD ALARM DEVICE (020001 -).
№
Артикул
Название
Примечание
Количество
0
4436271
SENSOR;PRES.
1шт.
00A
4365826
* O-RING
1
3107235
HARNESS;WIRE
2
4055312
CLIP;BAND
5шт.
Выбрано товаров: 0