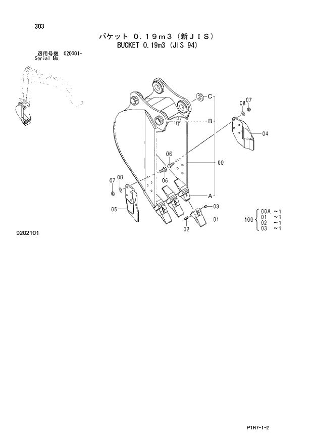
Запчасти Hitachi ZX110-3 303_BUCKET 0.19m3 (JIS 94) (020001 -). 03 FRONT-END ATTACHMENTS

Схема запчастей Hitachi ZX110-3 - 303_BUCKET 0.19m3 (JIS 94) (020001 -). 03 FRONT-END ATTACHMENTS
FIT
1:1
100%

Артикул

Название

Примечание

Количество

9202101

BUCKET ASS'Y

1шт.

0

8084351

* BUCKET

1шт.

00A

4425500

** ADAPTER;TOOTH

3шт.

00B

4454562

** STOPPER

2шт.

00C

4175071

** SPACER

1шт.

1

963228

* POINT;TOOTH

3шт.

2

963229

* PIN;LOCK

3шт.

3

963227

* RUBBER;LOCK

3шт.

4

2015428

* CUTTER;SIDE

1шт.

5

2015429

* CUTTER;SIDE

1шт.

6

J932060

* BOLT

8шт.

7

J951020

* NUT

8шт.

8

A590920

* WASHER;SPRING

8шт.

100

9200912

KIT;POINT

3шт.

Выбрано товаров: 14