Запчасти Hitachi ZX110-3 011_REGULATOR (020001 -)_007. 01 PUMP

Схема запчастей Hitachi ZX110-3 - 011_REGULATOR (020001 -)_007. 01 PUMP
FIT
1:1
100%

Артикул

Название

Примечание

Количество

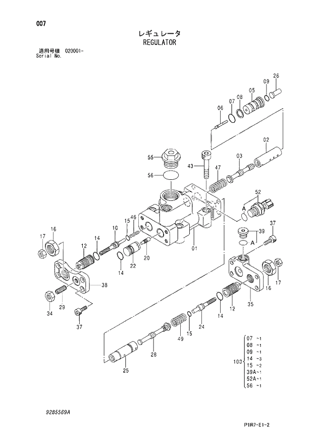
9285569

REGULATOR

I

1шт.

-9291175

REGULATOR

1шт.

1

1033182

* CASING

1шт.

2

4179155

* SLEEVE

1шт.

3

4179156

* SPOOL

1шт.

5

4375722

* CYL.;LOAD

1шт.

6

4360590

* PISTON

1шт.

7

4150302

* O-RING

1шт.

8

4678298

* RING;BACK-UP

1шт.

9

4297380

* O-RING

1шт.

10

4664449

* STOPPER

1шт.

12

4179161

* STOPPER

2шт.

14

4342843

* O-RING

3шт.

15

4342841

* O-RING

2шт.

16

4068898

* NUT

2шт.

17

M500807

* NUT

2шт.

20

4179171

* PISTON

1шт.

22

4451498

* CYL.

1шт.

24

4347107

* STOPPER;INNER

1шт.

25

4424628

* SLEEVE

1шт.

26

4653849

* PISTON

1шт.

28

4346521

* SPOOL

1шт.

29

4265964

* SCREW;SET

1шт.

34

J950010

* NUT

1шт.

35

3107927

* COVER;REAR

1шт.

37

M340820

* BOLT;SOCKET

8шт.

38

4433327

* COVER

1шт.

39

9134110

* PLUG

1шт.

39A

957366

** O-RING

1шт.

43

M341056

* BOLT;SOCKET

4шт.

46

4332878

* SPRING;COMPRES.

1шт.

47

4194176

* SPRING;COMPRES.

1шт.

49

4350928

* SPRING;COMPRES.

1шт.

52

4436536

* SENSOR;PRES.

1шт.

52A

4153095

** O-RING

1шт.

55

4447264

* PLUG

1шт.

56

4342846

* O-RING

1шт.

100

4692567

KIT;SEAL

1шт.

Выбрано товаров: 38