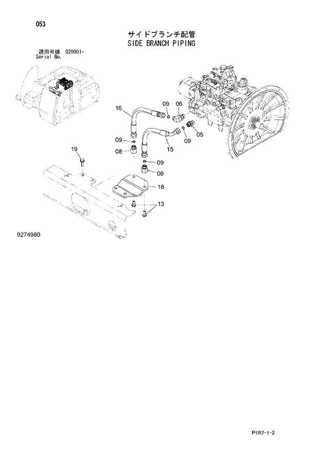
Запчасти Hitachi ZX110-3 053_SIDE BRANCH PIPING (020001 -). 01 UPPERSTRUCTURE

Схема запчастей Hitachi ZX110-3 - 053_SIDE BRANCH PIPING (020001 -). 01 UPPERSTRUCTURE
FIT
1:1
100%

Артикул

Название

Примечание

Количество

5

A853144

ADAPTER;S

1шт.

05A

4506418

* O-RING

1шт.

6

A853344

ELBOW;S

1шт.

06A

4506418

* O-RING

1шт.

8

4446638

PLUG

2шт.

9

4138938

O-RING

4шт.

13

J271025

BOLT;SEMS

2шт.

13A

J901025

* BOLT

1шт.

13B

J222010

* WASHER

1шт.

15

4361509

HOSE

1шт.

16

4682664

HOSE

1шт.

18

9769287

BRACKET

1шт.

19

J271035

BOLT;SEMS

2шт.

19A

J901035

* BOLT

1шт.

19B

J222010

* WASHER

1шт.

Выбрано товаров: 15