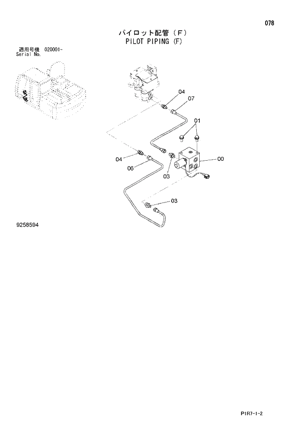
Запчасти Hitachi ZX110-3 078_PILOT PIPING (F) (020001 -). 01 UPPERSTRUCTURE

Схема запчастей Hitachi ZX110-3 - 078_PILOT PIPING (F) (020001 -). 01 UPPERSTRUCTURE
FIT
1:1
100%

Артикул

Название

Примечание

Количество

0

4609630

VALVE;LOCK

1шт.

1

J271025

BOLT;SEMS

2шт.

01A

J901025

* BOLT

1шт.

01B

J222010

* WASHER

1шт.

3

4255305

FITTING;PIPE

2шт.

03A

4509180

* O-RING

1шт.

4

4255304

FITTING;PIPE

2шт.

04A

957366

* O-RING

1шт.

6

4627541

PIPE

1шт.

7

4627542

PIPE

1шт.

Выбрано товаров: 10