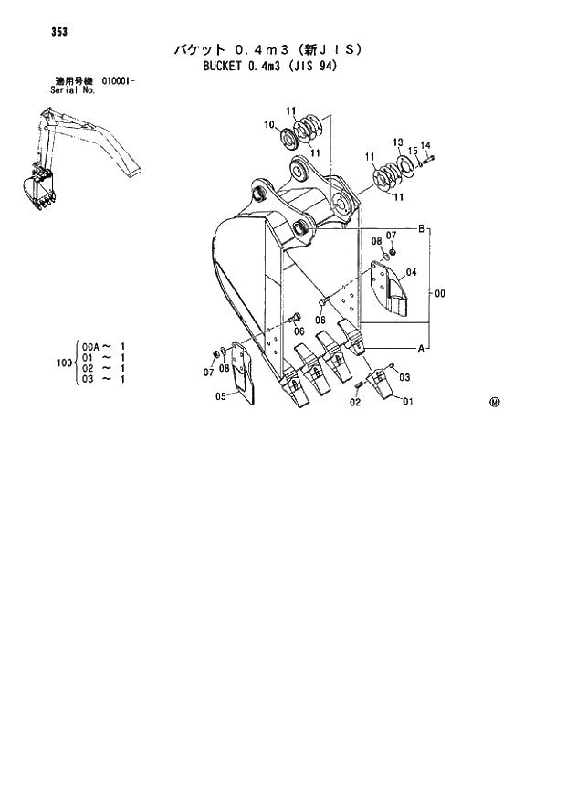
Запчасти Hitachi ZX110-E 353_BUCKET 0.4m3 (JIS 94) (010001 -). 03 FRONT-END ATTACHMENTS

Схема запчастей Hitachi ZX110-E - 353_BUCKET 0.4m3 (JIS 94) (010001 -). 03 FRONT-END ATTACHMENTS
FIT
1:1
100%

Артикул

Название

Примечание

Количество

9202103

BUCKET ASS'Y

1шт.

0

8084353

* BUCKET

1шт.

00A

4425500

** ADAPTER;TOOTH

4шт.

00B

4454562

** STOPPER

2шт.

1

963228

* POINT;TOOTH

4шт.

2

963229

* PIN;LOCK

4шт.

3

963227

* RUBBER;LOCK

4шт.

4

2015428

* CUTTER;SIDE

1шт.

5

2015429

* CUTTER;SIDE

1шт.

6

J932060

* BOLT

8шт.

7

J951020

* NUT

8шт.

8

A590920

* WASHER;SPRING

8шт.

10

4445244

* BOSS

1шт.

11

4276386

* SHIM 1.0mm

12шт.

13

4276385

* PLATE

1шт.

14

J901275

* BOLT

3шт.

15

A590912

* WASHER;SPRING

3шт.

100

9200912

KIT;POINT

4шт.

Выбрано товаров: 18