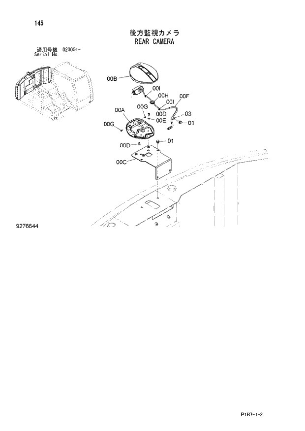
Запчасти Hitachi ZX110M-3 145_REAR CAMERA (020001 -). 01 UPPERSTRUCTURE

Схема запчастей Hitachi ZX110M-3 - 145_REAR CAMERA (020001 -). 01 UPPERSTRUCTURE
FIT
1:1
100%

Артикул

Название

Примечание

Количество

0

9276648

CAMERA ASS'Y

1шт.

00A

7049033

* COVER

1шт.

00B

7049034

* COVER

1шт.

00C

8109087

* BRACKET

1шт.

00D

J780812

* BOLT;SOCKET

6шт.

00E

A590108

* WASHER;PLANE

3шт.

00F

4642744

* CAMERA

1шт.

00G

J780610

* BOLT;SOCKET

4шт.

00H

4299864

* GROMMET

1шт.

00I

4218657

* CLIP

2шт.

1

J271020

BOLT;SEMS

3шт.

01A

J901020

* BOLT

1шт.

01B

J222010

* WASHER

1шт.

3

4190261

CLIP

1шт.

Выбрано товаров: 0