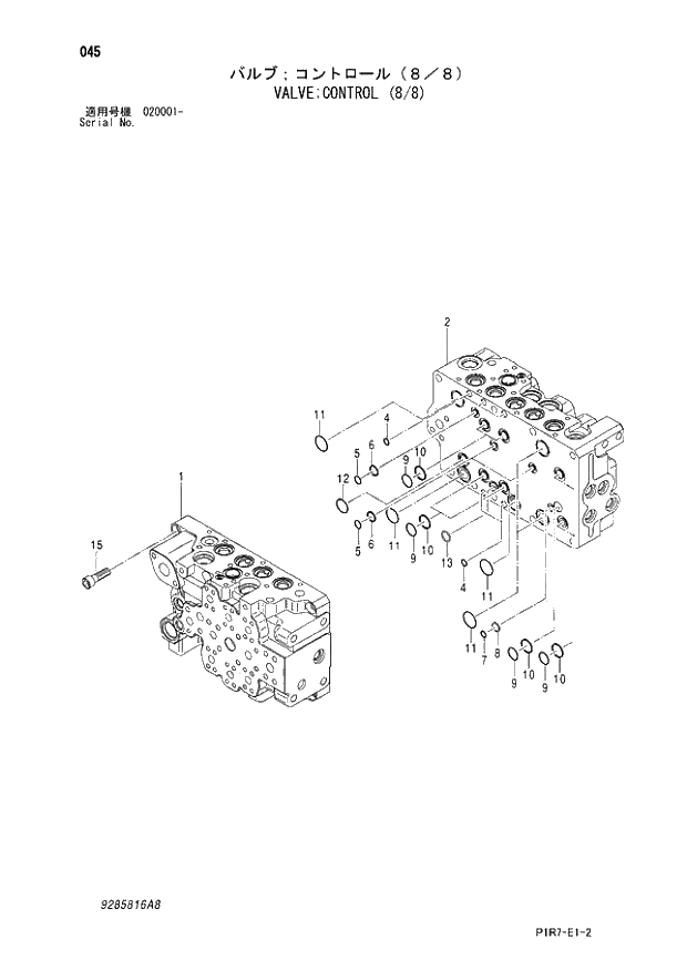
Запчасти Hitachi ZX110M-3 045_VALVE;CONTROL (8_8) (020001 -). 03 VALVE

Схема запчастей Hitachi ZX110M-3 - 045_VALVE;CONTROL (8_8) (020001 -). 03 VALVE
FIT
1:1
100%

Артикул

Название

Примечание

Количество

9285816

VALVE;CONTROL (8/8)

I

1шт.

-9289341

VALVE;CONTROL (8/8)

1шт.

1

+++++++

* HOUSING

1шт.

2

+++++++

* HOUSING

1шт.

4

4506320

* O-RING

5шт.

5

4509180

* O-RING

3шт.

6

2046493

* RING;BACK-UP

3шт.

7

957366

* O-RING

1шт.

8

2046599

* RING;BACK-UP

1шт.

9

985099

* O-RING

7шт.

10

2046492

* RING;BACK-UP

7шт.

11

4303809

* O-RING

5шт.

12

4314064

* O-RING

1шт.

13

4506420

* O-RING

1шт.

15

M341445

* BOLT;SOCKET

9шт.

Выбрано товаров: 15